EasyManua.ls Logo

Arcotherm EC 55 - Wiring Diagram; Electrical Schematics and Components

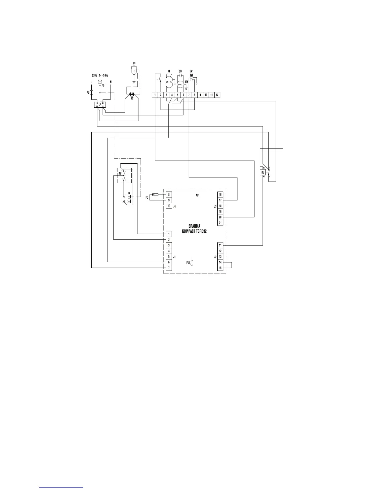
Arcotherm EC 55
Print Icon
To Next Page IconTo Next Page
To Next Page IconTo Next Page
To Previous Page IconTo Previous Page
To Previous Page IconTo Previous Page
Loading...
17
AP BRANDERAUTOMAAT
COFFRET DE SECURITE
STEÜRGERÄT
CONTROL BOX
TA RUIMTE THERMOSTAAT AANSLUIT.
PRISE THERMOSTAT D’AMBIACE
RAUMTHERMOSTAT STECKDOSE
ROOM THERMOSTAT PLUG
RE RELAIS
RELAIS
RELAIS
RELAY
ST SPANNINGSLAMPJE
LAMPE TEMOIN D’ALIMENTATION
STROMANZEIGLAMPE
ELECTRIC PILOT LAMP
FU ZEKERING
FUSIBLE
SICHERUNG
FUSE
LI1 OVERHITTINGSTHERMOSTAAT
THERMOSTAT DE SURCHAUFFE
SICHERHEITSTHERMOSTAT
OVERHEAT THERMOSTAT
EV1 MAGNEETVENTIEL
ELECTROVANNE
MAGNETVENTIL
SOLENOID VALVE
FO FOTOCEL
PHOTORESISTANCE
PHOTOZELLE
PHOTOCELL
CO CONDENSATOR
CONDENSATEUR
KONDENSATOR
CONDENSER
MV VENTILATOR MOTOR
MOTEUR DU VENTILATOR
VENTILATOR MOTOR
FAN MOTOR
FUA ZEKERING
FUSIBLE
SICHERUNG
FUSE
LF ONTSTORINGSFILTER
FILTRE ANTIPARASITES
FUNKENTSTöRFILTER
ANTI-JAMMING FILTER
RV AAN/UIT SCHAKELAAR
COMMUTATEUR
SCHALTER
CONTROL
IT ONTSTEKKINGSTRAVO
TRANSFORMATEUR H.T.
ZÜNDTRANSFO
TRANSFORMER H.V.
RF OLIEVERWARMING
FILTRE GASOIL RECHAUFFE
HEIßFILTER
HEATED FILTER
ELEKTRISCH SCHEMA - SCHEMA ELECTRIQUE
SCHALTSCHEMA - WIRING DIAGRAM
OPTIE

Related product manuals