EasyManua.ls Logo

Ares SE2 - Evaporative Cooling; Electric

Ares SE2
18 pages
Print Icon
To Next Page IconTo Next Page
To Next Page IconTo Next Page
To Previous Page IconTo Previous Page
To Previous Page IconTo Previous Page
Loading...
SE AND DE EVAPORATIVE COOLING
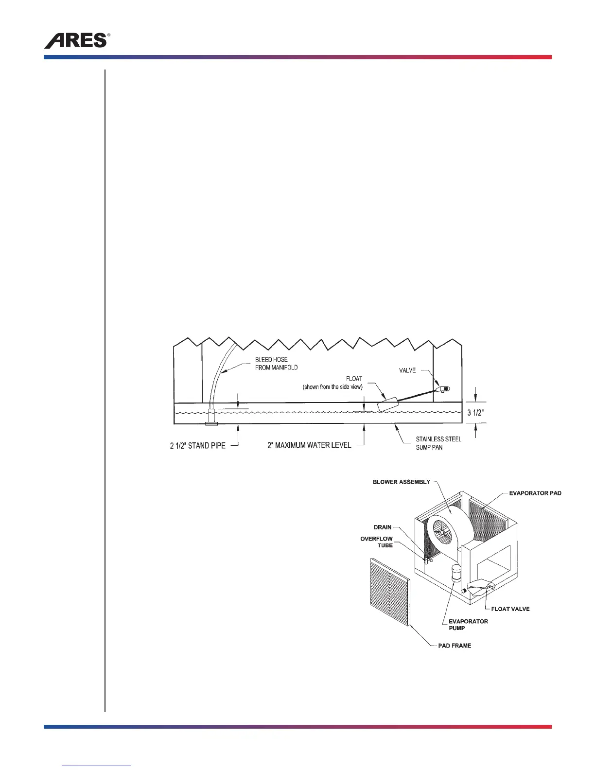
WATER SUPPLY: Water is circulated by a sump pump to troughs above the cooling media. It then flows
by gravity through “V” shaped slots and saturates the cooling filters. A float valve assembly replaces
water lost by evaporation. To avoid build up of organic minerals and salts in the sump, an adjustable
bleed-off valve directs a small stream of water through the overflow drain. An optional fill and drain kit,
which consists of a 3-way valve, 2-way valve and relay itemized for freeze protection of the Make-up Air
Unit water line, is available for field installation.
CAUTION:
Damage caused by not correctly installing and servicing the bleed-
off pipe is not covered by the ARES warranty.
Use an inside cold water line that has not passed through a water softening system because salts will
create additional maintenance and upkeep.
1. Install a 1/2" water piping to the right front support leg of the unit. Include a convenient shut-off
valve and provisions for draining to prevent freezing in the piping layout.
2. Install the overflow standpipe in the sump drain (supplied with the unit).
3. Install a drain line between the overflow standpipe (in the sump drain) to a suitable drain (check
local codes).
4. Install float valve assembly through the hole provided in the blower-cooler unit and adjust it so the
water level is approximately 2" deep in the sump pan. (See illustration below).
CAUTION:
Damage caused by incorrect water level in sump pan is not covered
by the ARES warranty.
5. Adjust the bleed valve to bypass the main water
line to rid the system of organic and mineral
deposits. (See illustration above)
ELECTRICAL INSTALLATION
1. Check the electrical ratings stamped on the serial
plate to be sure they are correct for use with
available electricity.
CAUTION:
Damage caused by incorrect power
supply is not covered by the ARES warranty.
2. The installed unit must conform to all codes and
regulations applying to the job site including
requirements of State and local agencies. All
wiring, grounding and connections must comply with the most current version of the National
E
lectric Code. Permits should be obtained prior to installation.
3. External controls must be provided to start and stop the fan motor and pump (E models only). An
external mounted starter should be used for motors.
Make-up Air Blower Model SC1/SC2/SC3, SE1/SE2, DC1/DC2 and DE1/DE2
5
Tel: (800)-288-0892 • www.aresmakeupair.com

Related product manuals