EasyManua.ls Logo

ARGENTO OMEGA - 11 Connection Diagram

ARGENTO OMEGA
20 pages
Print Icon
To Next Page IconTo Next Page
To Next Page IconTo Next Page
To Previous Page IconTo Previous Page
To Previous Page IconTo Previous Page
Loading...
1
1
9
9
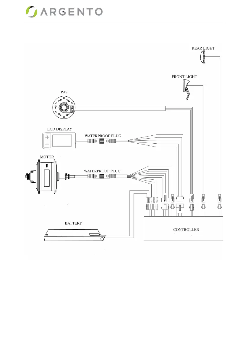
11. CONNECTION DIAGRAM

Related product manuals