EasyManua.ls Logo

Argo AE726SCL - AE752 SCL3;AE764 SCL3 Wiring Diagrams

Argo AE726SCL
51 pages
Print Icon
To Next Page IconTo Next Page
To Next Page IconTo Next Page
To Previous Page IconTo Previous Page
To Previous Page IconTo Previous Page
Loading...
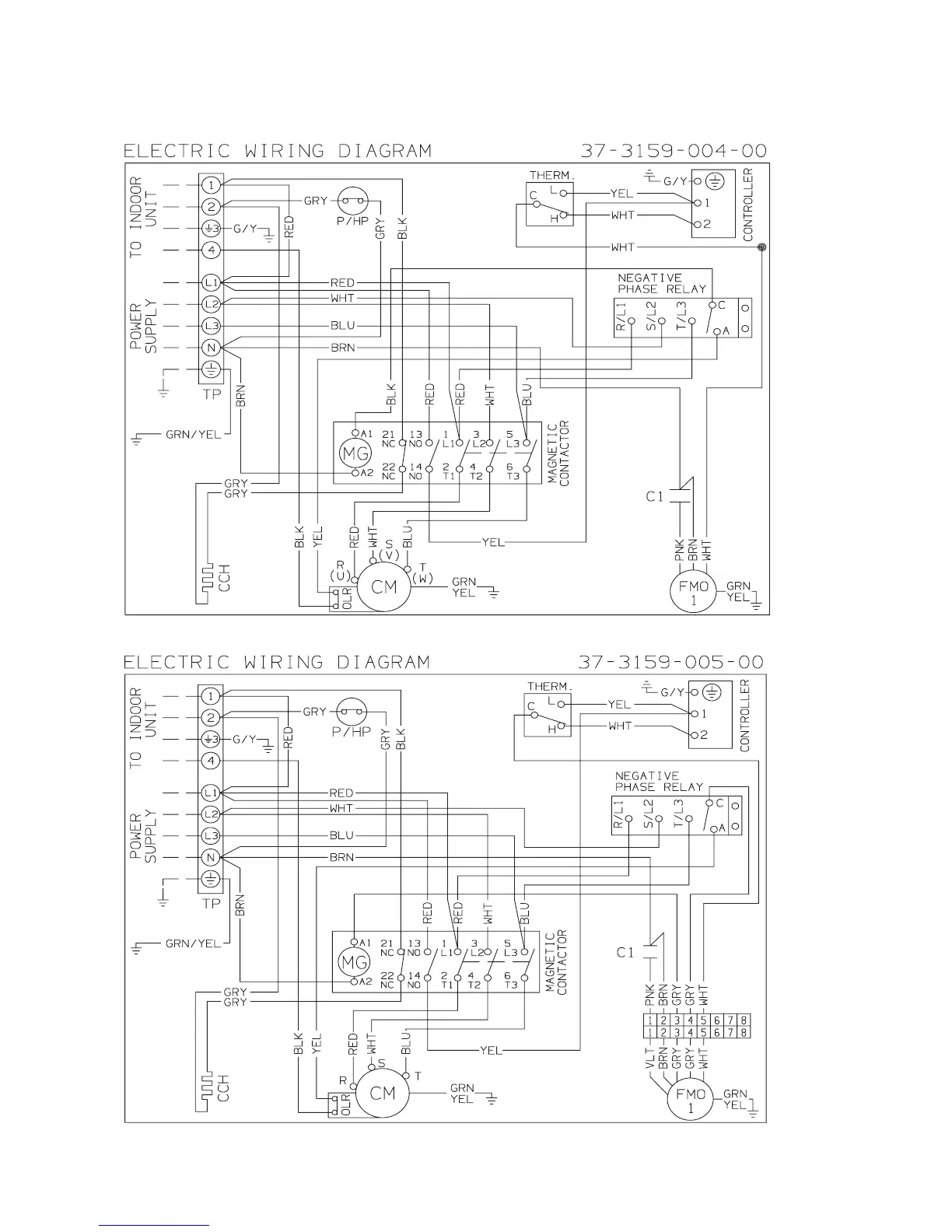
AE752SCL3
AE764SCL3
47

Related product manuals