EasyManua.ls Logo

Argo V899-37 - Vanguard2 Models (1995 - SN8138)

Argo V899-37
52 pages
Print Icon
To Next Page IconTo Next Page
To Next Page IconTo Next Page
To Previous Page IconTo Previous Page
To Previous Page IconTo Previous Page
Loading...
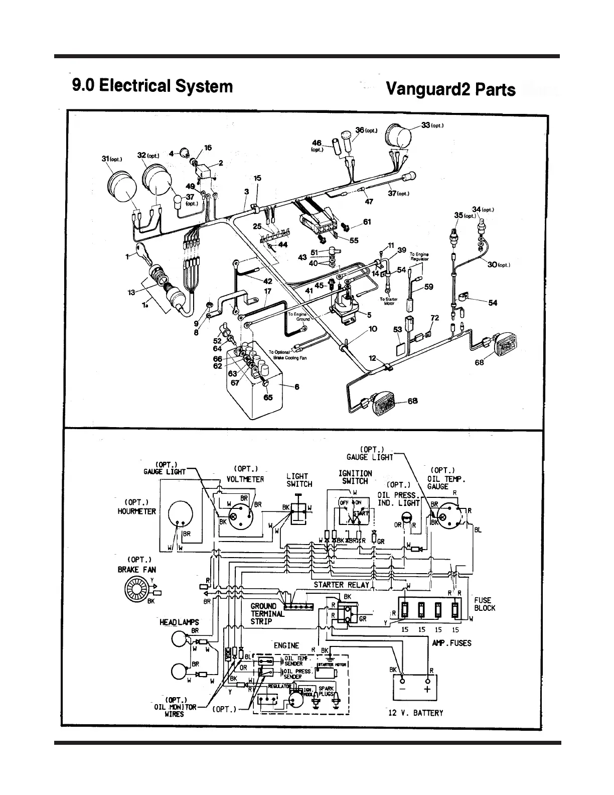
Electrical System Argo Service Manual
Ontario Drive & Gear Limited www.odg.com
PH.(519)- 662-2840 FAX (519)- 662-2421
ES-46
Argo Vanguard2 Model V697-55 From SN8138 11/95

Table of Contents

Related product manuals