EasyManua.ls Logo

Ariston C - Page 31

Ariston C
64 pages
Print Icon
To Next Page IconTo Next Page
To Next Page IconTo Next Page
To Previous Page IconTo Previous Page
To Previous Page IconTo Previous Page
Loading...
31
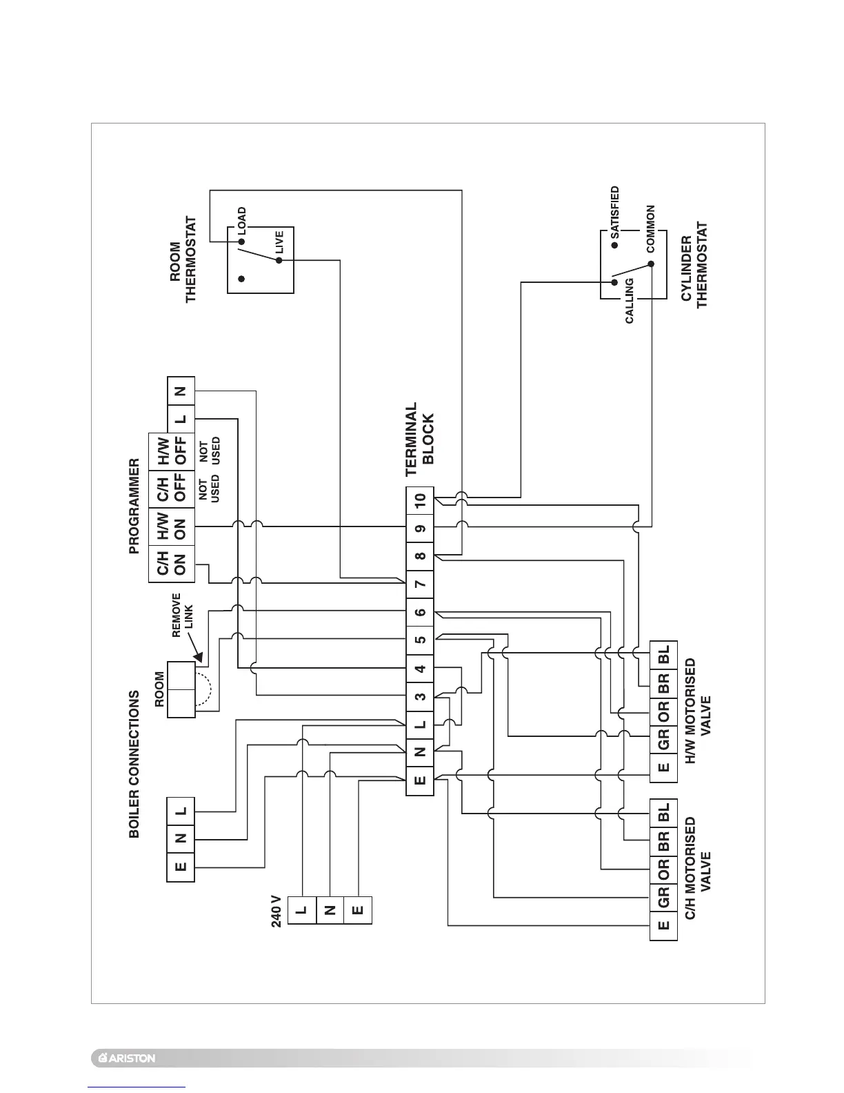
WIRING DIAGRAM FOR CONNECTION TO AN
OPEN VENTED CYLINDER
DIAGRAM B

Table of Contents

Related product manuals