EasyManua.ls Logo

ASC ASC300LW - Page 7

ASC ASC300LW
18 pages
Print Icon
To Next Page IconTo Next Page
To Next Page IconTo Next Page
To Previous Page IconTo Previous Page
To Previous Page IconTo Previous Page
Loading...
_____________________________________________________________________
ATLANTIC SATELLITE CORPORATION
MODEL ASC300LW
BEACON RECEIVER
7
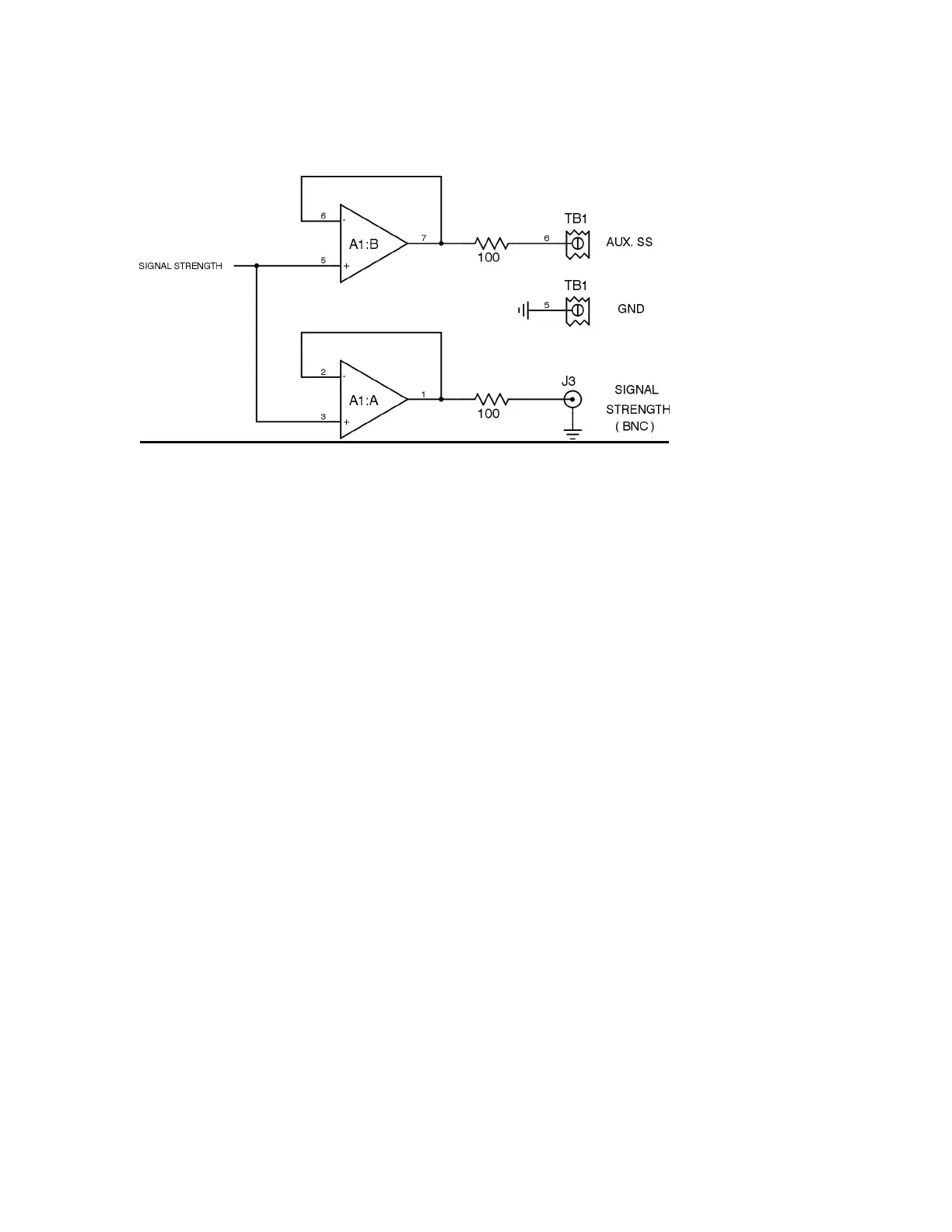
SIGNAL STRENGTH OUTPUT CIRCUIT
J4: STREAMING (OPTIONAL) Not a standard install.
Refer to the attachment to the manual if this option is installed.
S2: (Not installed)
LNB PWR: +18 VDC, On/Off
LNB POWER LED: Red LED that is ON when power is applied to the
LNB.
J5: INPUT The frequency input range is 930 to 2300 MHz with an input
level range of –30 to –90 dBm per beacon carrier.
J5 Input: Type-F Female 75 ohm
J6 Input: 50 ohm, N-type, female connector, Optional
J7 Input: (SMA optional)