EasyManua.ls Logo

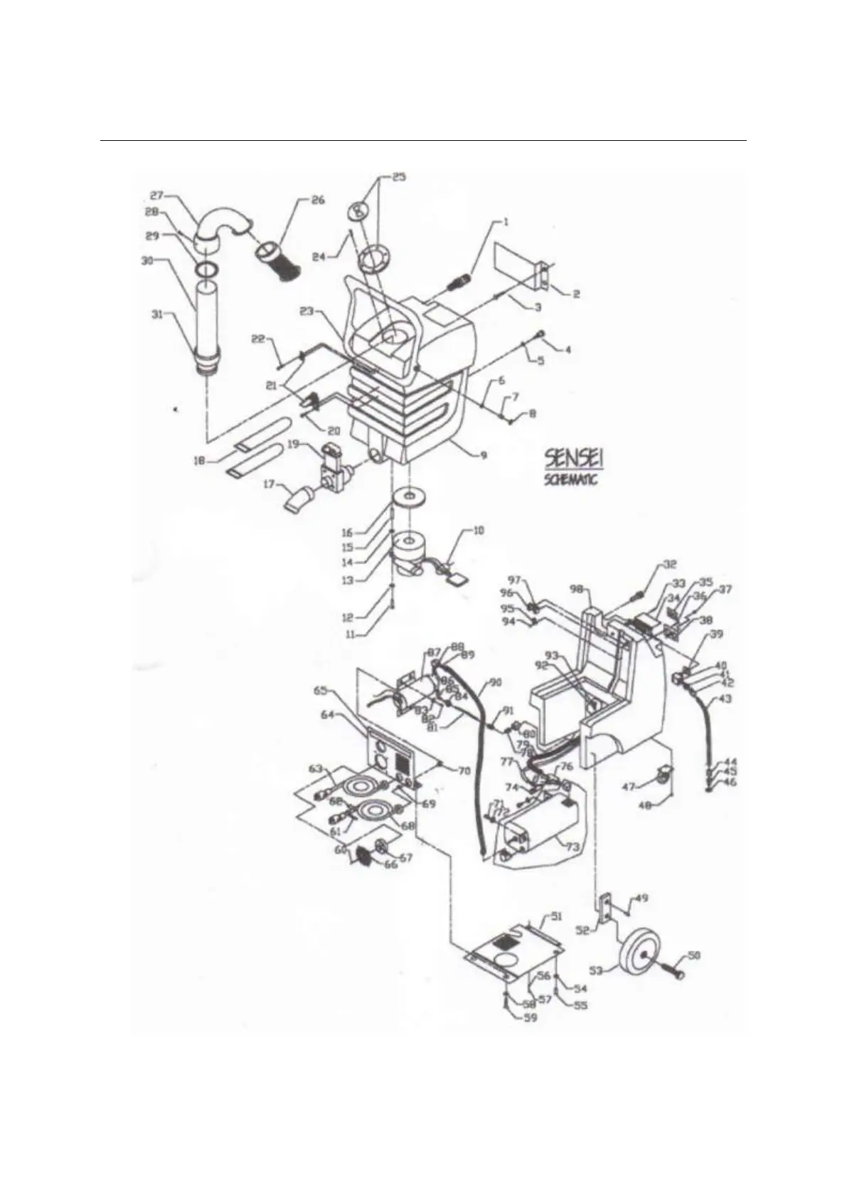
Ashbys SENSEI - Exploded Diagram

Default Icon
13 pages
Print Icon
To Next Page IconTo Next Page
To Next Page IconTo Next Page
To Previous Page IconTo Previous Page
To Previous Page IconTo Previous Page
Loading...
Page 9 of 13
Exploded Diagram