EasyManua.ls Logo

Astral Pool Sel Clear E4 - Page 12

Default Icon
Print Icon
To Next Page IconTo Next Page
To Next Page IconTo Next Page
To Previous Page IconTo Previous Page
To Previous Page IconTo Previous Page
Loading...
ENGLISH
E4 Salt Chlorinators - Installation and User Manual12
1 - Recommendations
Please comply with the following values for your
chlorinator to work properly:
Salt concentration:
Recommended 4,0 g/l
Minimum 3.5 g/l
pH :
Recommended from de 7.0 à 7,4
TAC :
Recommended between 12 et 18 ° F
Stabilizer:
Recommended: 20 à 50 g/m
3
Water temperature:
Do not operate when water is colder than 15°C.
Chlorine concentration:
Between 0.5 and 2.5 ppm
Connection:
220 volts - 50/60 Hz servo-controlled by the
filtration pump.
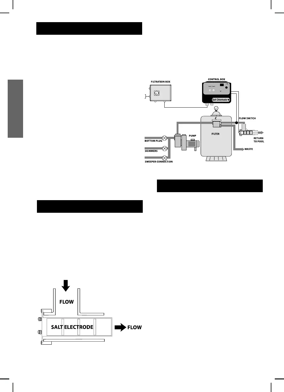
2 - Installing the chamber
This chamber adapts to all standard backflow
piping.
Please do not position the chamber with the
electrode head upwards.
When installing the chamber, always position the
electrode parallel to the direction of flow. Plan for
enough space on the dismantling side of the
chamber to remove the electrode.
For the elecrolysis chamber to work correctly, it is
recommended that the heating system be placed
within 20 m. of the pool (40 m. of back / forth pip-
ing).
For longer distances, we recommend that you
integrate a relay pump upstream from the heating
system.
3 - Electrical connections
A - Installing the unit
Fix the unit to a wall of the plant room using the
installation holes at each corner and the screws
and plugs provided.
PRECAUTIONARY MEASURE:
We strongly recommend that the unit be
installed in a sheltered place.
B - Unit power supply
Connection: 230 volts - 50/60 Hz
P. max: 70 W
The system works with the filtration pump. It is
imperative that it run at the same time as the
filtration.
Therefore it must be hooked up to the filtration
pump connectors in the filtration box.
The guarantee will not cover units that are not
servo-controlled by the filtration system.