EasyManua.ls Logo

Astralpool PRO-ELYO INVERBOOST 48707M - Page 27

Astralpool PRO-ELYO INVERBOOST 48707M
Print Icon
To Next Page IconTo Next Page
To Next Page IconTo Next Page
To Previous Page IconTo Previous Page
To Previous Page IconTo Previous Page
Loading...
- 24 -
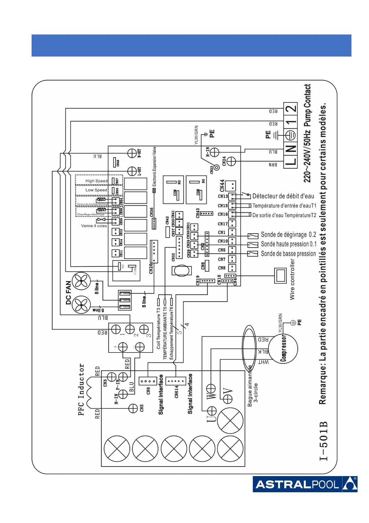
6.2 Schéma de câblage de la pompe à chaleur de piscine
Réf. 48711M/48712M
6.
6.
6.
C
C
C
â
â
â
blage
blage
blage
é
é
é
lectrique
lectrique
lectrique

Related product manuals