EasyManua.ls Logo

Astralpool PRO-ELYO INVERBOOST 48707M - Page 28

Astralpool PRO-ELYO INVERBOOST 48707M
Print Icon
To Next Page IconTo Next Page
To Next Page IconTo Next Page
To Previous Page IconTo Previous Page
To Previous Page IconTo Previous Page
Loading...
- 25 -
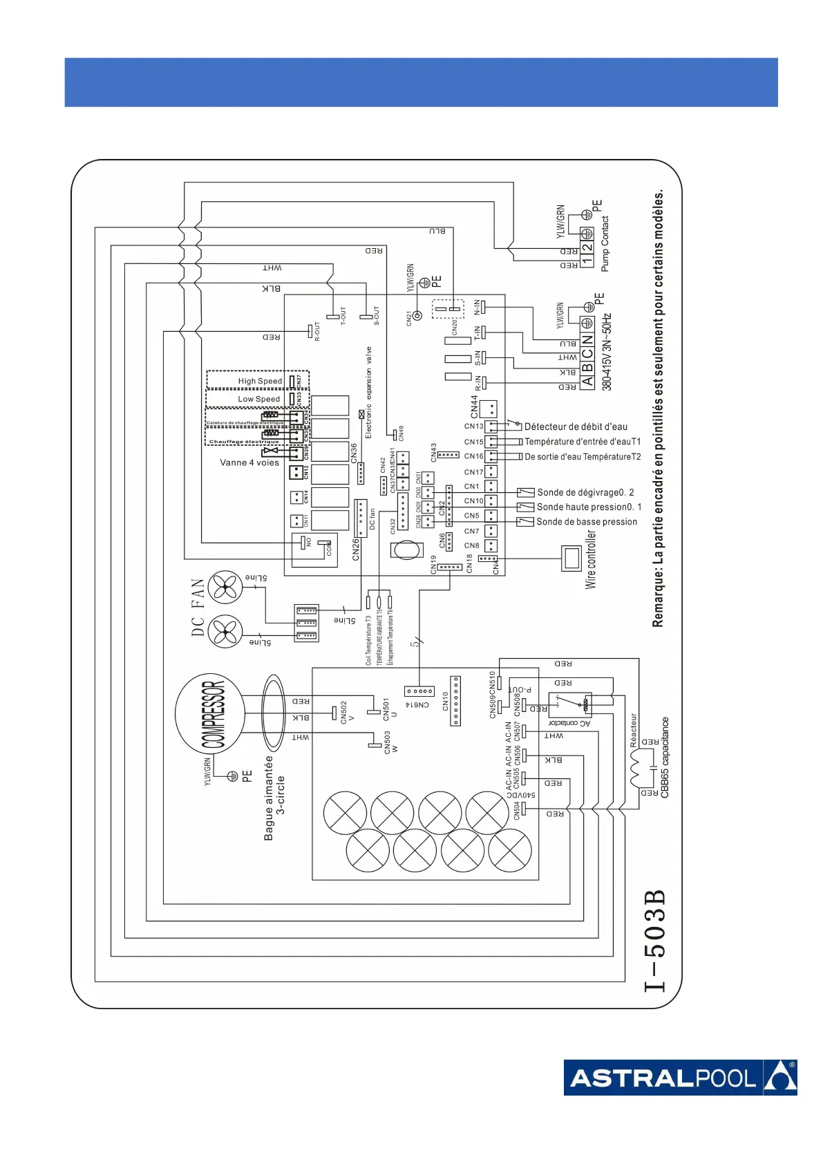
6.3 Schéma de câblage de la pompe à chaleur de piscine
Réf. 48711T/48712T
*Le schéma de câblage électrique ci-dessus est seulement valable pour votre référence, veuillez utiliser le
schéma de câblage affiché sur la machine.
6.
6.6.
C
CC
â
ââ
blage
blageblage
é
éé
lectrique
lectriquelectrique

Related product manuals