EasyManua.ls Logo

Astralpool Smart+pH 100 - Page 131

Astralpool Smart+pH 100
172 pages
Print Icon
To Next Page IconTo Next Page
To Next Page IconTo Next Page
To Previous Page IconTo Previous Page
To Previous Page IconTo Previous Page
Loading...
17
5.5. Integrierter pH-Regler (nur in SMART+PH-Geräten)
Der integrierte pH-Regler ist ab Werk mit folgenden Programmierungs parametern kalibriert.
pH-SOLLWERT= „7.2“
WICHTIG: um eine richtige pH-Regulierung zu erreichen, vergewissern Sie sich, dass der Kalkgehalt im Wasser den empfohlenen Werten
von 80-150 ppm CaCO
3
entspricht.
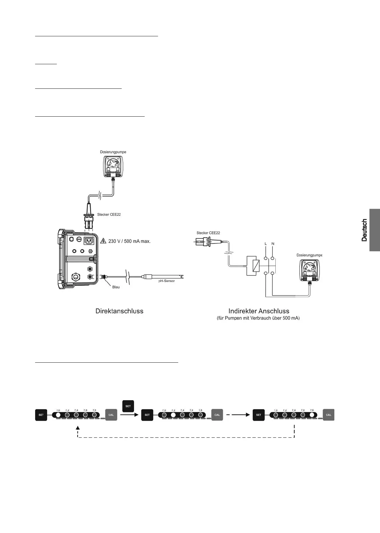
5.5.1. ANSCHLUSS DER PH SENSOR
Die Sensor an den BNC-Anschluss, der sich an der rechten Seite des Netzgerätes befindet, anschliessen (Abb. 24).
5.5.2. ANSCHLUSS DER DOSIERUNGSPUMPE
Die AstralPool Chlore SMART+PH Systeme besitzen am Boden einen Anschluss für eine Dosierungspumpe zur Steuerung des pH-Werts
des Schwimmbadwassers. Die Dosierungspumpe kann mit dem zu diesem Zweck mit dem Gerät gelieferten CEE22 Stecker angeschlossen
werden (Abb. 24).
Abb. 24
5.5.3. PROGRAMMIERUNG DES GEWÜNSCHTEN PH-WERTS
„SET” [21] Taste gedrückt halten, bis auf der LED der gewünschte ph-Wert innerhalb der Bandbreite von 7.0 – 7.8 erscheint. Sobald er
gewählt ist, Taste loslassen.
Abb. 25

Related product manuals