EasyManua.ls Logo

Astralpool Smart+pH 100 - Page 145

Astralpool Smart+pH 100
172 pages
Print Icon
To Next Page IconTo Next Page
To Next Page IconTo Next Page
To Previous Page IconTo Previous Page
To Previous Page IconTo Previous Page
Loading...
3
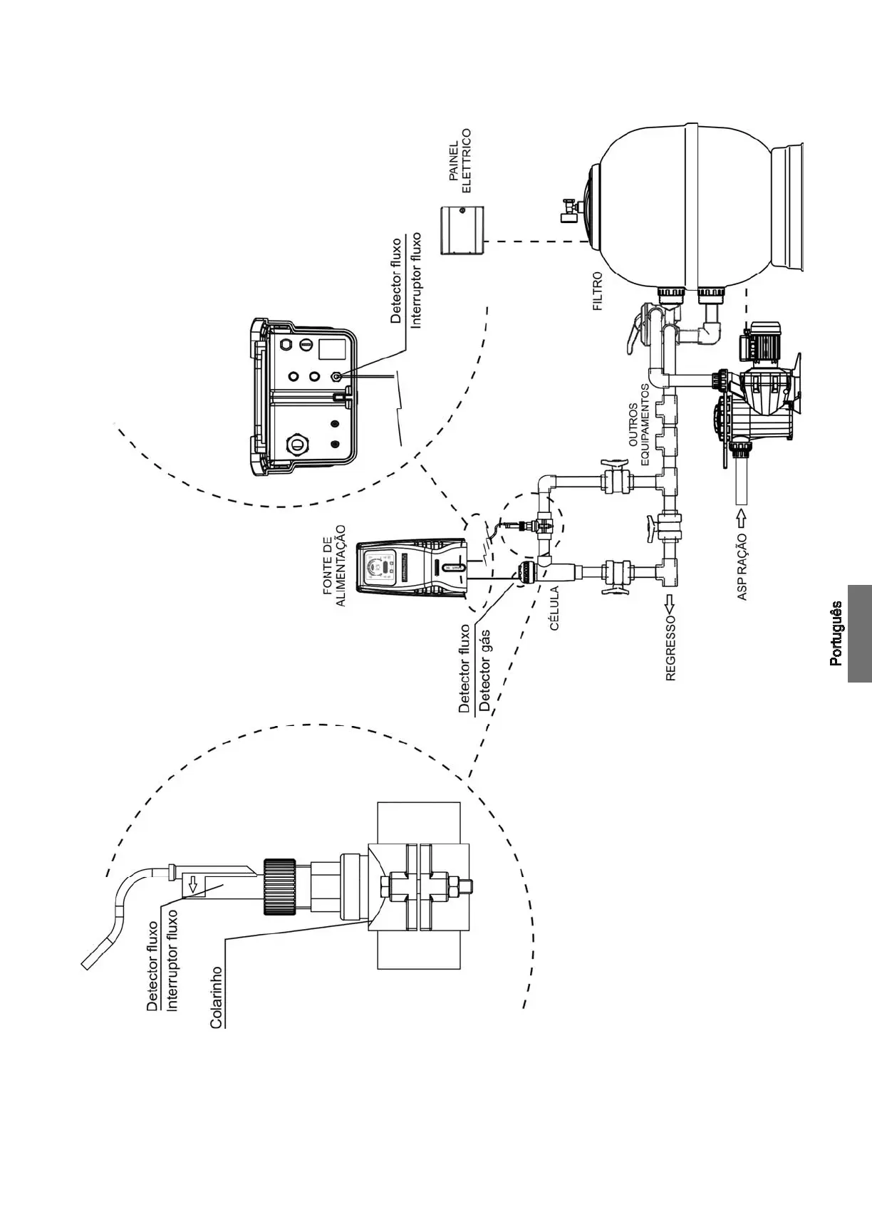
Fig.1a. Sistemas Smart+. Diagrama de instalação recomendado.

Related product manuals