EasyManua.ls Logo

Astralpool Smart+pH 100 - Integrated pH;ORP controller (only in Smart+PH systems)

Astralpool Smart+pH 100
172 pages
Print Icon
To Next Page IconTo Next Page
To Next Page IconTo Next Page
To Previous Page IconTo Previous Page
To Previous Page IconTo Previous Page
Loading...
17
5.5. Integrated pH/ORP controller (only in Smart+PH systems)
The integrated pH/ORP controller is supplied with a default factory calibration and programmed with the following parameters:
pH SETPOINT=”7.2”
IMPORTANT: In order for the pH to be regulated correctly, the Total Alkalinity of the pool water must be maintained in the range 80 – 120
ppm. Use a pool water test kit to check the Total Alkalinity and manually adjust if necessary.
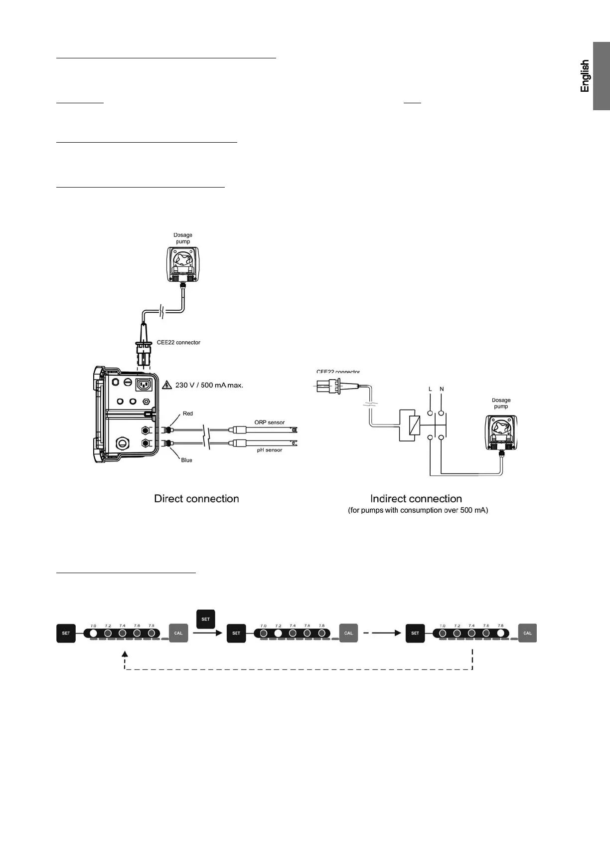
5.5.1. CONNECTION OF THE PH/ORP SENSORS
Connect the pH and ORP sensors provided with the unit to the corresponding BNC connectors located in the base of the unit (Fig. 24).
5.5.2. CONNECTION OF THE DOSAGE PUMP
The Astralpool Chlore Smart+PH systems have a connector on their base for connecting a dosage pump to control the pH of the water in the
pool. The dosage pump can be connected through the CEE22 connector supplied for that purpose with the equipment (Fig. 24).
Fig. 24
5.5.3. PH SETPOINT PROGRAMMING
Keep the “SET” [21] key pressed until the light displays the desired pH value within the 7.0 – 7.8 range. Release after selection.
Fig. 25

Related product manuals