EasyManua.ls Logo

Astralpool Smart+pH 100 - Page 47

Astralpool Smart+pH 100
172 pages
Print Icon
To Next Page IconTo Next Page
To Next Page IconTo Next Page
To Previous Page IconTo Previous Page
To Previous Page IconTo Previous Page
Loading...
17
5.5. Contrôleur pH intégré (dans les systèmes Smart+PH uniquement).
Le contrôleur de pH intégré sort d'usine calibré et avec les paramètres suivants de programmation:
Valeur programmée de pH = « 7.2 »
IMPORTANT: pour obtenir un règlement correct du pH, l'alcalinité de l'eau doit être dans le rang optimal recommandé de 80-150 ppm de
CaCO
3
. Utilisez un kit pour vérifier le niveau d'Alcalinité Totale de l'eau, et ajustez manuellement en étant nécessaire.
.
5.5.1. CONNEXION DES SONDES DE PH/ORP
Connectez les sondes de pH et d'ORP fournis avec l'unité aux connecteurs BNC correspondants situés dans la base de l'unité (Fig. 24).
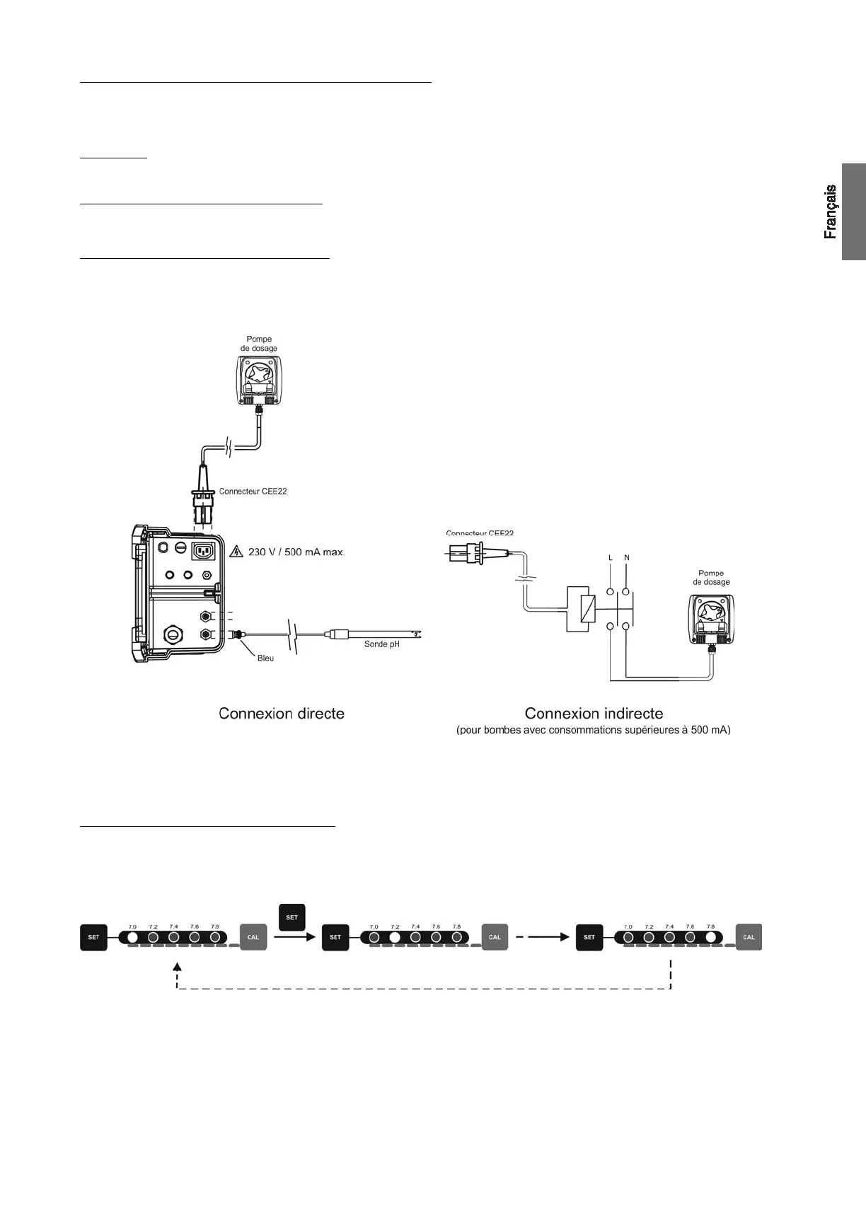
5.5.2. CONNEXION DE LA POMPE DE DOSAGE
Les systèmes Astralpool Chlore Elite disposent d‘un connecteur à leur base pour la connexion d’une bombe de dosage pour le contrôle de
pH de l’eau de la piscine. La pompe de dosage peut être connectée au moyen du connecteur CEE22 fourni à cet effet avec l’équipement.
(Fig. 24).
Fig. 24
5.5.3. PROGRAMMATION DE LA VALEUR DE PH
Maintenir la touche « SET » [21] appuyée jusqu’à ce que le led indique la valeur de pH désirée dans la plage 7.0 – 7.8. Une fois la valeur
sélectionnée, relâcher la touche.
Fig. 25

Related product manuals