EasyManua.ls Logo

Astralpool Smart+pH 100 - INSTALLATION; Installation of the power supply; Installation of the electrolysis cell

Astralpool Smart+pH 100
172 pages
Print Icon
To Next Page IconTo Next Page
To Next Page IconTo Next Page
To Previous Page IconTo Previous Page
To Previous Page IconTo Previous Page
Loading...
3
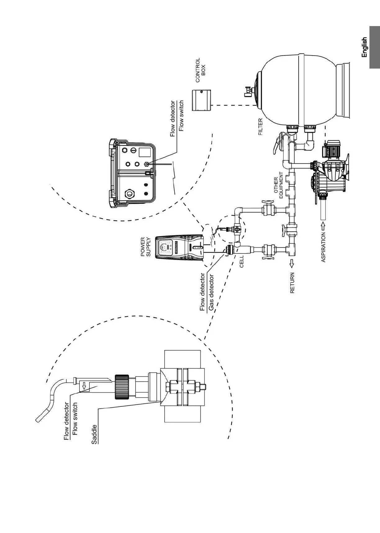
Fig.1a. Smart+ systems. Recommended installation diagram.

Related product manuals