EasyManua.ls Logo

Astralpool Smart+pH 100 - Page 70

Astralpool Smart+pH 100
172 pages
Print Icon
To Next Page IconTo Next Page
To Next Page IconTo Next Page
To Previous Page IconTo Previous Page
To Previous Page IconTo Previous Page
Loading...
12
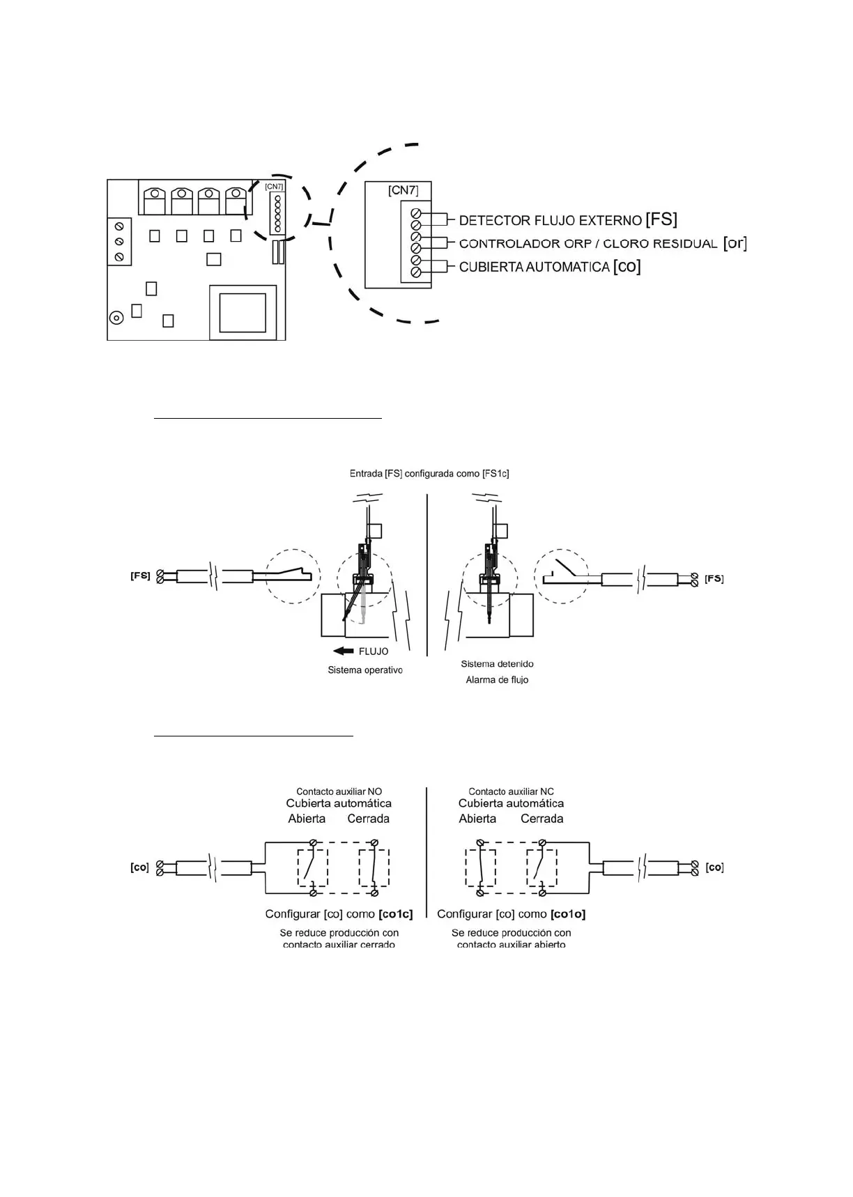
Además de las operaciones básicas, el Sistema de Electrolisis de Sal AstralPoolChlore Smart+ dispone de tres entradas para contactos
libres de tensión, los cuales permiten la conexión de controles externos adicionales. Estas entradas se encuentran situadas en el conector
[CN7] del circuito principal de la unidad situado en su base (Fig. 15).
Fig. 15
La lógica asociada a estas tres entradas se puede programar durante el proceso de configuración del sistema (ver Apartado 5.2)
[FS] Control DETECTOR FLUJO EXTERNO: entrada para contacto libre de tensión. Cuando el contacto conectado a esta
entrada se abre (detector de flujo externo en reposo), el sistema de electrolisis se desconecta. Conectar los cables del
detector de flujo externo a la entrada correspondiente [FS] situada en la tarjeta de control principal de la unidad.
Fig. 16
[co] Control CUBIERTA AUTOMATICA: entrada para contacto libre de tensión. Esta entrada permite, en función del estado
del contacto conectado a la misma situado en el cuadro eléctrico de la cubierta automática, programar una reducción de la
corriente de salida del equipo a un porcentaje de su valor nominal.
Fig. 17

Related product manuals