EasyManua.ls Logo

Astralpool Smart+pH 100 - Page 75

Astralpool Smart+pH 100
172 pages
Print Icon
To Next Page IconTo Next Page
To Next Page IconTo Next Page
To Previous Page IconTo Previous Page
To Previous Page IconTo Previous Page
Loading...
17
5.5. Controlador de PH integrado (sólo en modelos Smart+PH)
El controlador de pH integrado sale de fábrica calibrado y con los siguientes parámetros de programación.
PUNTO DE CONSIGNA pH=”7.2”
IMPORTANTE: para conseguir una correcta regulación del pH, asegúrese que la alcalinidad del agua está en el rango óptimo recomendado
de 80-150 ppm de CaCO
3
. Utilice un kit para comprobar el nivel de Alcalinidad Total del agua, y ajústela manualmente en caso de ser
necesario.
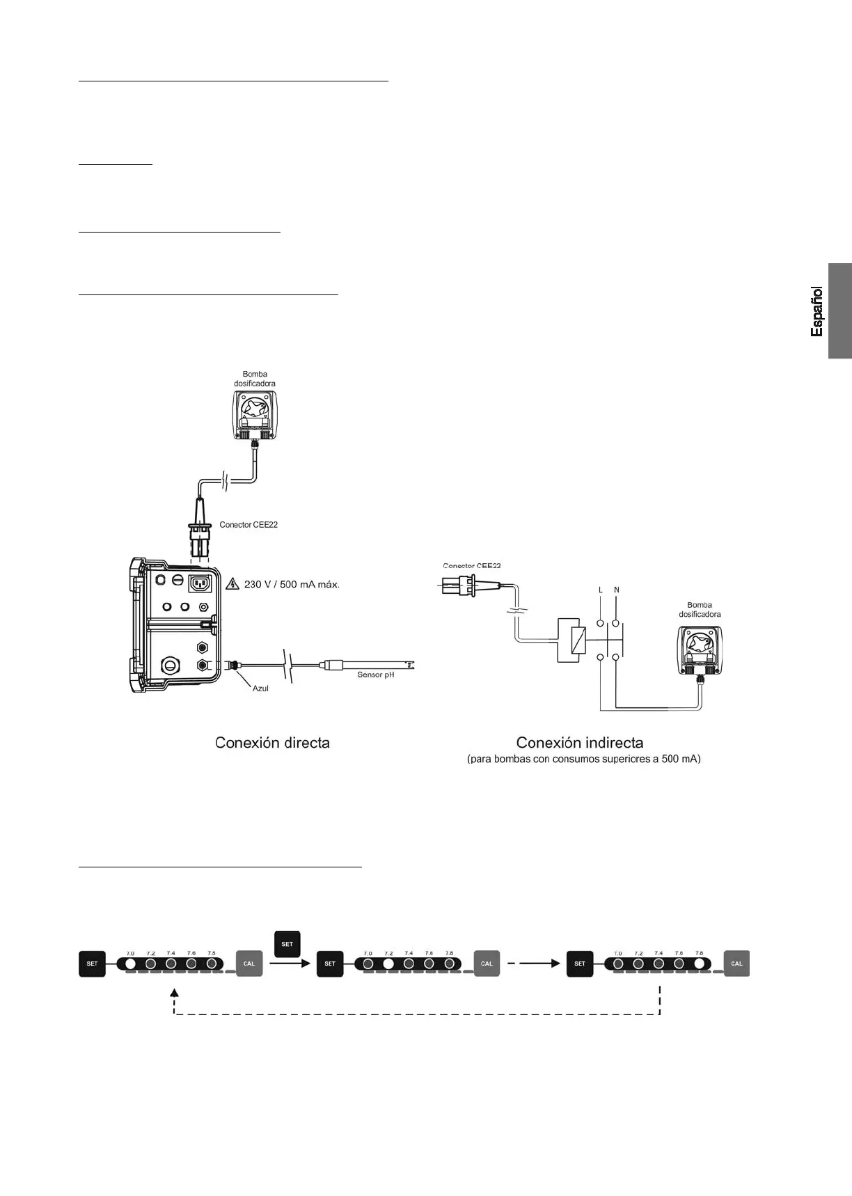
5.5.1. CONEXION DEL SENSOR DE PH
Conectar los sensores de pH suministrados con la unidad a los conectores BNC correspondientes situados en la base de la unidad (Fig. 24).
5.5.2. CONEXION DE LA BOMBA DOSIFICADORA
Los sistemas Astralpool Chlore SMART+PH disponen de un conector en su base para la conexión de una bomba dosificadora para el control
del pH del agua de la piscina. La bomba dosificadora puede conectarse por medio del conector CEE22 suministrado a tal efecto junto con el
equipo (Fig. 24).
Fig. 24
5.5.3. PROGRAMACION DEL VALOR DE PH DESEADO
Mantener pulsada la tecla “SET” [21] hasta que en el led indique el valor de pH deseado dentro del el rango 7.0 – 7.8. Una vez
seleccionado, soltar.
Fig. 25

Related product manuals