EasyManua.ls Logo

Asus F2F - Bottom Side

Asus F2F
89 pages
Print Icon
To Next Page IconTo Next Page
To Next Page IconTo Next Page
To Previous Page IconTo Previous Page
To Previous Page IconTo Previous Page
Loading...
14
2 Knowing the Parts
1
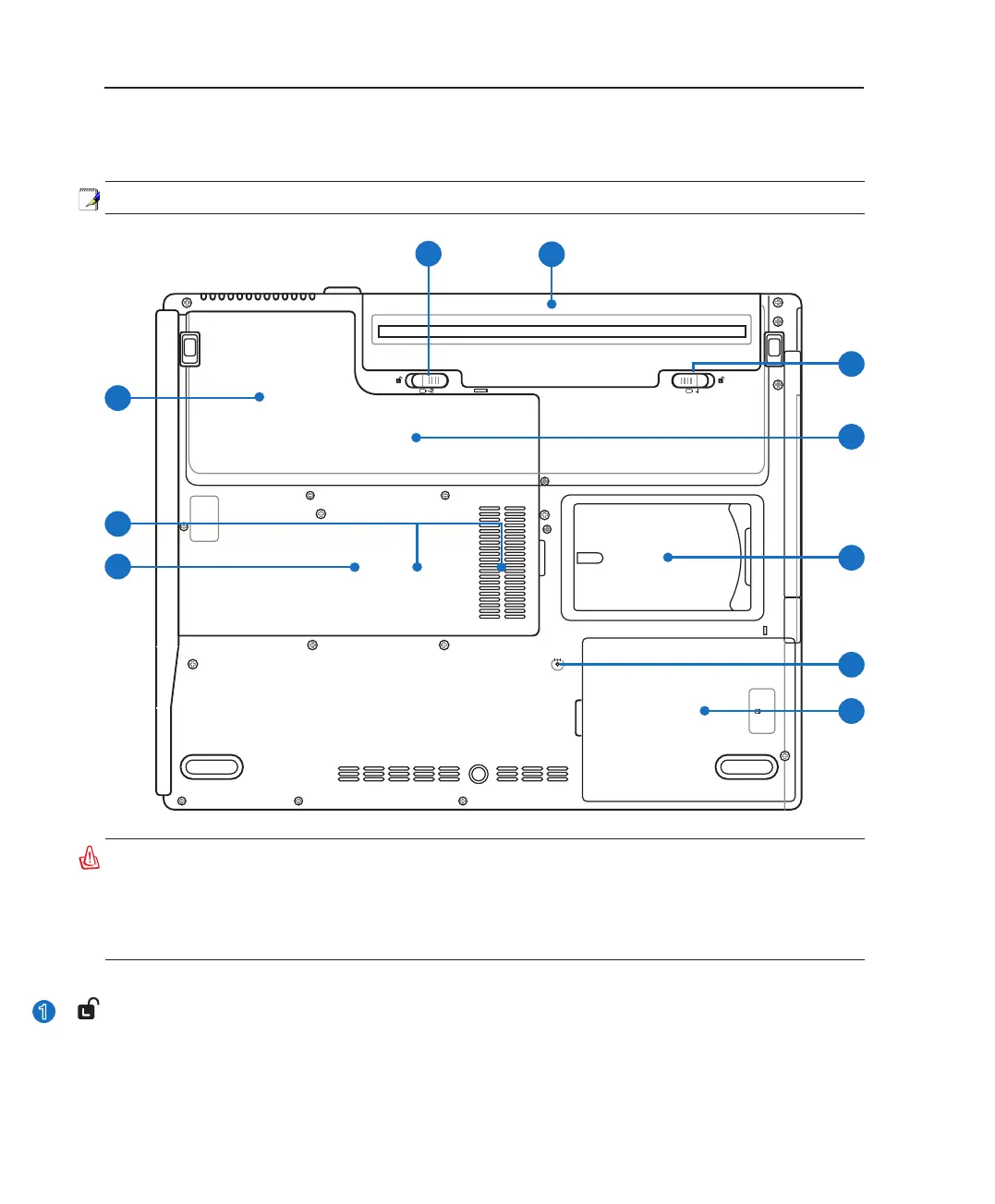
Battery Lock - Spring
The spring battery lock is used to keep the battery pack secured. When the battery pack is inserted, it will
automatically lock. To remove the battery pack, this spring lock must be held in the unlocked position.
Bottom Side
Refer to the diagram below to identify the components on this side of the Notebook PC.
1 2
7
3
6
10
5
8
4
9
WARNING! The bottom of the Notebook PC can get very hot. Be careful when handling
the Notebook PC while it is in operation or recently been in operation. High tempera-
tures are normal during charging or operation. Do not use on soft surfaces such as
beds or sofas which may block the vents. DO NOT PUT THE NOTEBOOK PC ON YOUR
LAP OR OTHER PARTS OF THE BODY TO AVOID INJURY FROM THE HEAT.
NOTE: The bottom side may vary in appearance depending on model.

Table of Contents

Related product manuals