EasyManua.ls Logo

Atari 800XL - Adapting Your Computer to a Job; Inserting a Cartridge

Atari 800XL
11 pages
Print Icon
To Previous Page IconTo Previous Page
To Previous Page IconTo Previous Page
Loading...
1 2 3 4 5 6
1 2 3 4 5 6
A
B
C
D
A
B
C
D
Date: 2020-01-15
KiCad E.D.A. kicad (5.1.4-0-10_14)
Rev: 2Size: A4
Id: 11/11
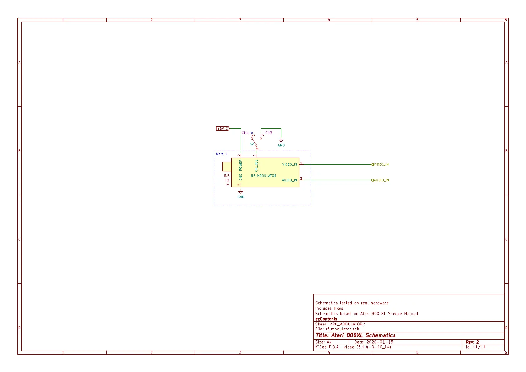
Title: Atari 800XL Schematics
File: rf_modulator.sch
Sheet: /RF_MODULATOR/
ezContents
Schematics based on Atari 800 XL Service Manual
Includes fixes
Schematics tested on real hardware
GND
1
2
3
S2
CH3CH4
GND
R.F.
TO
TV
VIDEO_IN
1
POWER
2
AUDIO_IN
3
CH_SEL
4
GND
5
RF_MODULATOR
AUDIO_IN
VIDEO_IN
+5V_C
Note 1

Other manuals for Atari 800XL

Related product manuals