EasyManua.ls Logo

Atari 800XL - Page 25

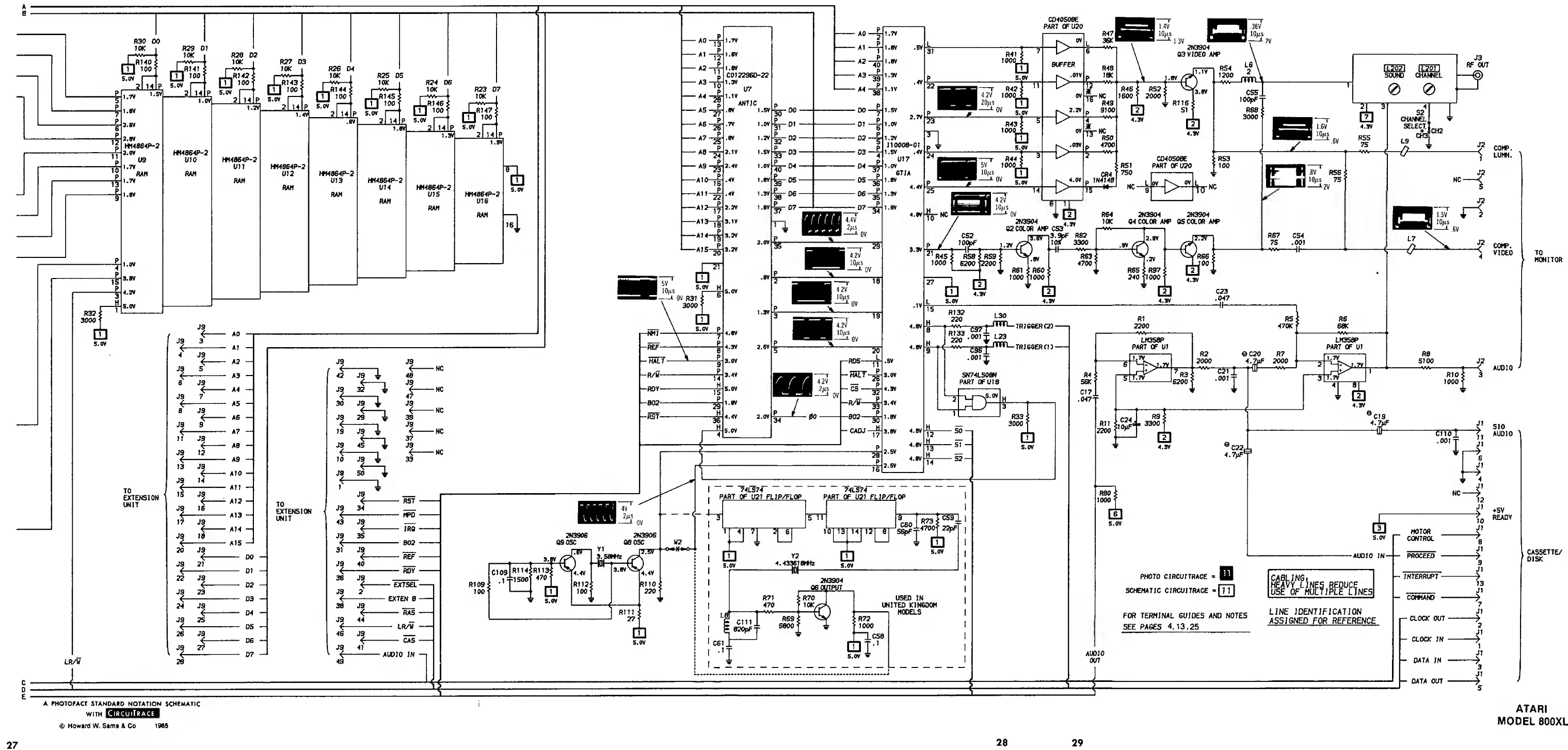
Atari 800XL
33 pages
Print Icon
To Next Page IconTo Next Page
To Next Page IconTo Next Page
To Previous Page IconTo Previous Page
To Previous Page IconTo Previous Page
Loading...
WITH
CircuiTrace
<&
Howard
W.
Sama
&
Co
1985
COMP.
LUMN.
^
COMP.
VIDEO
TO
MONITOR
AUDIO
'
AUDIO
+5V
READY
CASSETTE/
DISK
ATARI
MODEL
800XL
27
28
29

Other manuals for Atari 800XL

Related product manuals