EasyManua.ls Logo

ATD Tools Atd-7430 - Replacement Parts

ATD Tools Atd-7430
8 pages
Print Icon
To Next Page IconTo Next Page
To Next Page IconTo Next Page
To Previous Page IconTo Previous Page
To Previous Page IconTo Previous Page
Loading...
6
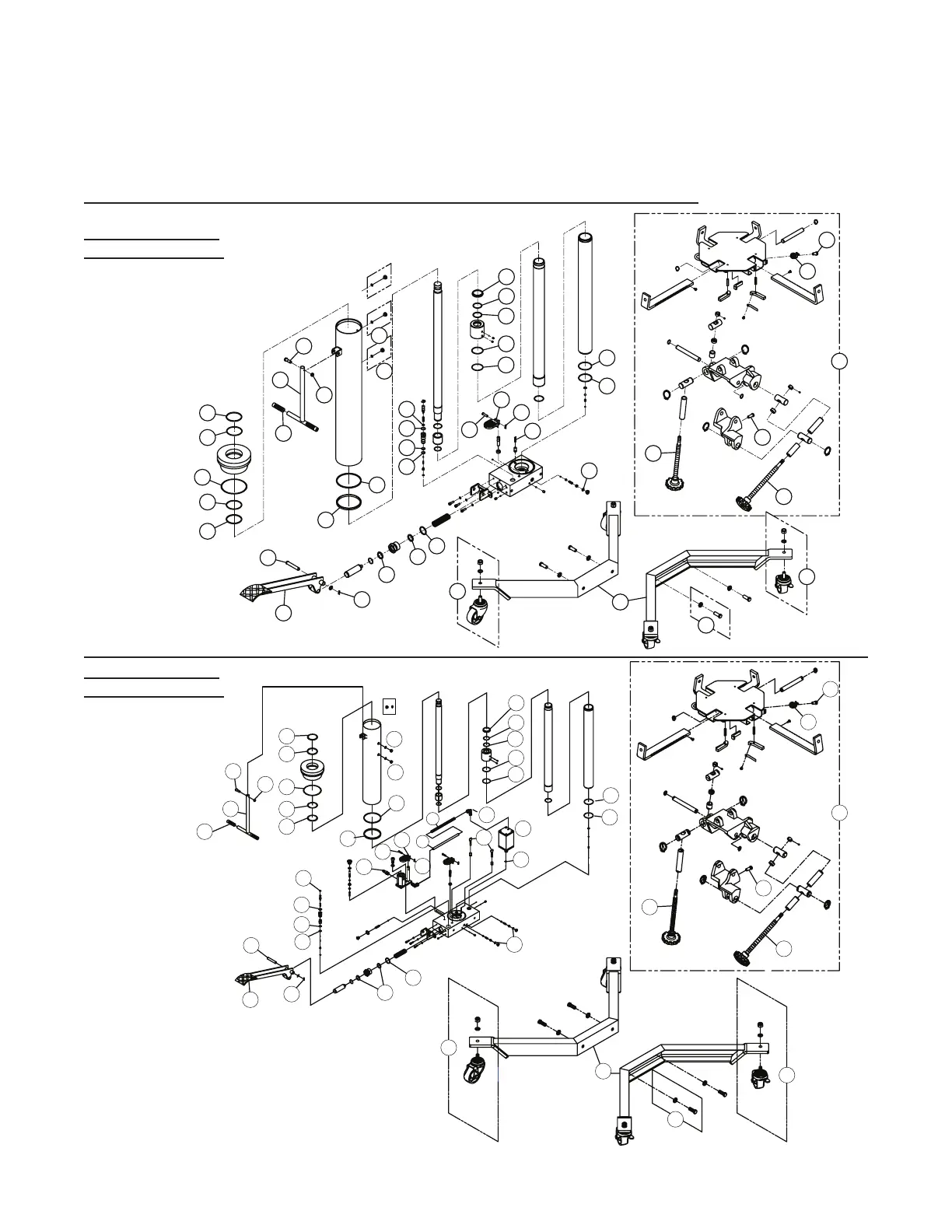
Replacement Parts Illustration for Models Atd-7430 Series A and Atd-7431 Series A:
Atd-7430 Series A
Replacement Parts
REPLACEMENT PARTS
Available Parts: Please refer to the Parts drawing when ordering parts. Not all components of this kit are replace-
ment items, but are illustrated as a convenient reference of location and position in the assembly sequence. When
ordering parts, give Model number, serial number and description below. Call or write for current pricing:
Atd Tools Inc. 160 Enterprise Drive, Wentzville, MO 63385 Tel:(636)327-9050 Fax:(636)327-9046
Atd-7431 Series A
Replacement Parts
28
35
28
29
30
36
37
38
39
40
41
34
33
32
31
44
43
45
46
48
49
42
10
11
1
6
6
16
14
15
2
4
3
7
13
12
17
19
18
47
5
9
8
26
27
8
7
9
10
11
12
13
14
15
16
17
18
19
20
22
21
23
24
25
28
29
27
26
30
31
32
33
34
35
36
37
38
39
40
41
42
44
43
45
46
47
48
49
5
4
1
2
6
6
3

Related product manuals