EasyManua.ls Logo

ATI Technologies GasSens - Page 40

ATI Technologies GasSens
49 pages
Print Icon
To Next Page IconTo Next Page
To Next Page IconTo Next Page
To Previous Page IconTo Previous Page
To Previous Page IconTo Previous Page
Loading...
GasSens Gas Detection System Section 5 - A11-10 Br
2
Sensor/Transmitter
O & M Manual
Revision E, 10/15 5 - 2
Notes:
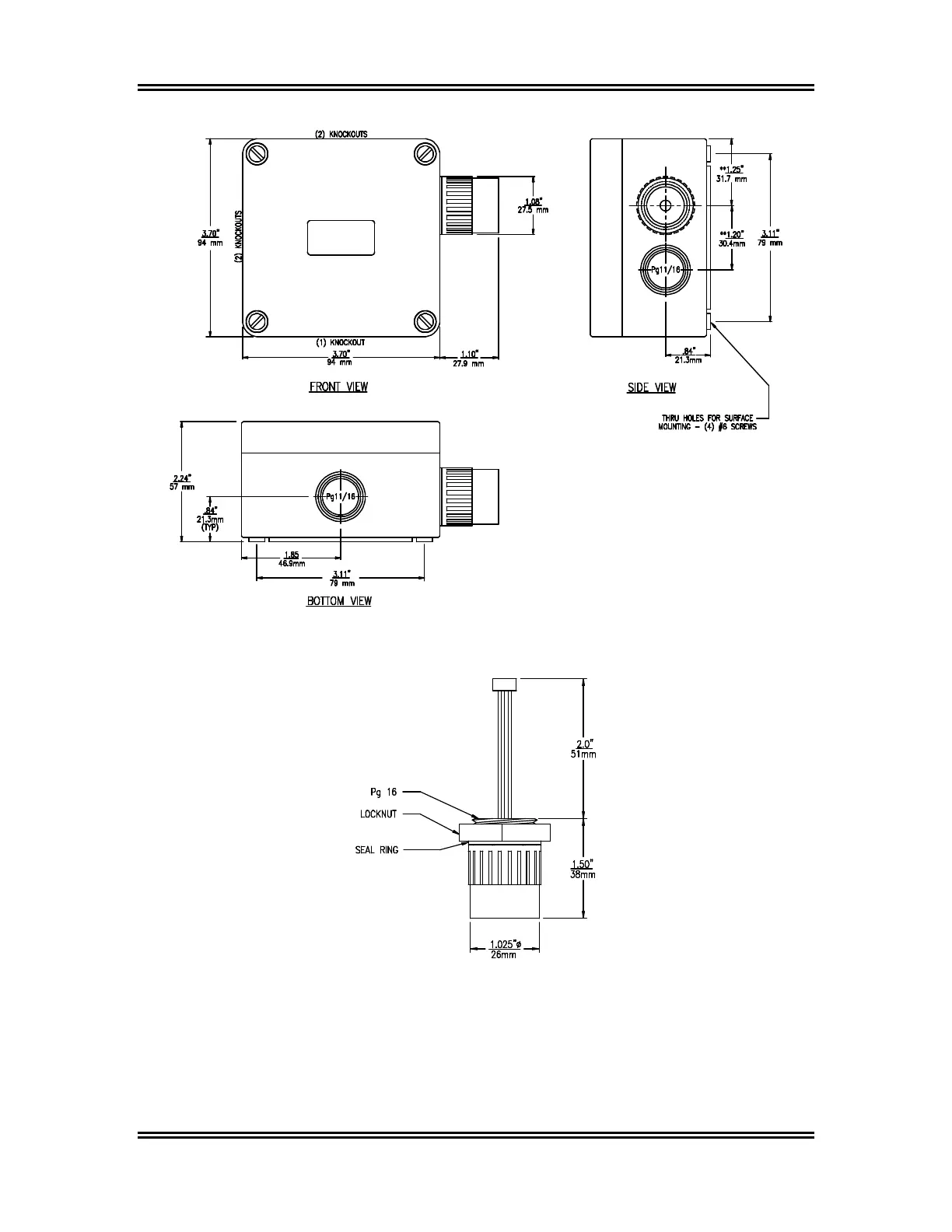
1) Enclosure Ratings: Nema-4X/IP 66.
2) Enclosure Material: Polystyrene, standard gray
3) Knockouts: Pg 11 (.75” dia.)
Pg 16 (.90” dia.)
4) **These are the dimensions between knockouts and
are typical for (3) sides with (2) knockouts each.
Figure 5-1: Nema-4X Sensor/Transmitter Dimensions (ATI-017, ATI-0169)