EasyManua.ls Logo

Atlantic Technology P-2000 - DVD Player

Atlantic Technology P-2000
48 pages
Print Icon
To Next Page IconTo Next Page
To Next Page IconTo Next Page
To Previous Page IconTo Previous Page
To Previous Page IconTo Previous Page
Loading...
14
P-2000 7.1 Channel Preamp/Processor/Tuner
Instruction Manual
15
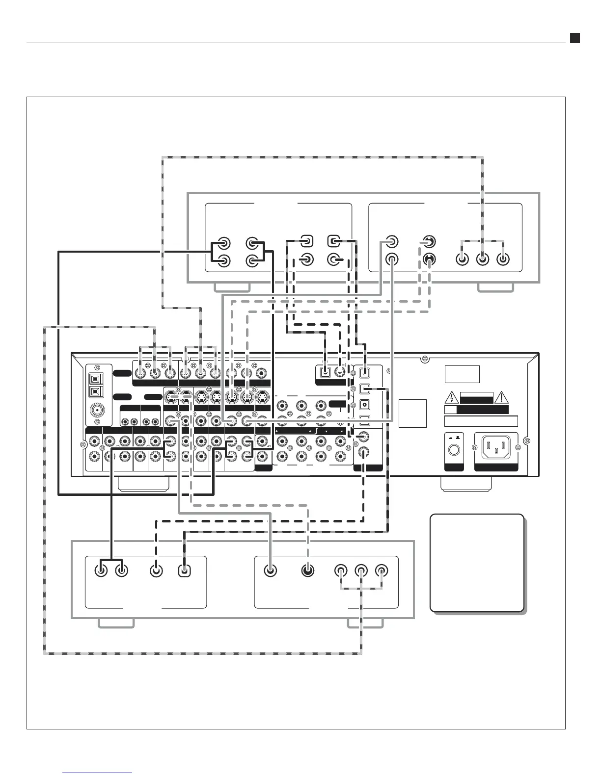
Connecting Video Equipment to the P-2000














   















 














 




















 
 
  
  


DVD Player
Video Recording Device



Use either the Coaxial or
Optical connection, but
not both. Similarly, your
video connection
requirements will vary
according to your DVD
player and display's
capabilities. In most cases
only one type of video
connection is required.
Connecting Your P-2000

Table of Contents