EasyManua.ls Logo

Atlantic CMG-BD0/PR - Page 22

Atlantic CMG-BD0/PR
28 pages
Print Icon
To Next Page IconTo Next Page
To Next Page IconTo Next Page
To Previous Page IconTo Previous Page
To Previous Page IconTo Previous Page
Loading...
UK
22
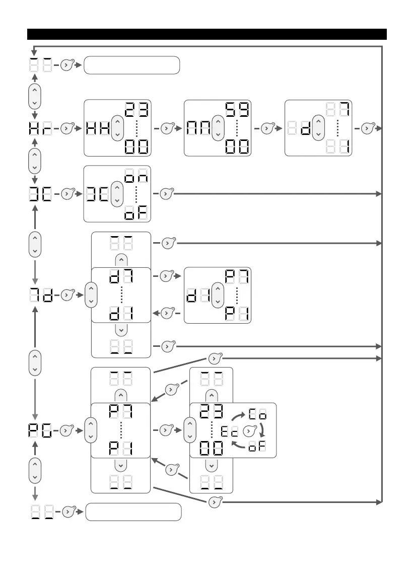
МЕНЮ НАЛАШТУВАНЬ ПРИЛАДУ
Вихід з налаштувань
Вихід з налаштувань

Related product manuals