EasyManua.ls Logo

Atlantic CMG-BD0/PR - Page 6

Atlantic CMG-BD0/PR
28 pages
Print Icon
To Next Page IconTo Next Page
To Next Page IconTo Next Page
To Previous Page IconTo Previous Page
To Previous Page IconTo Previous Page
Loading...
EN
6
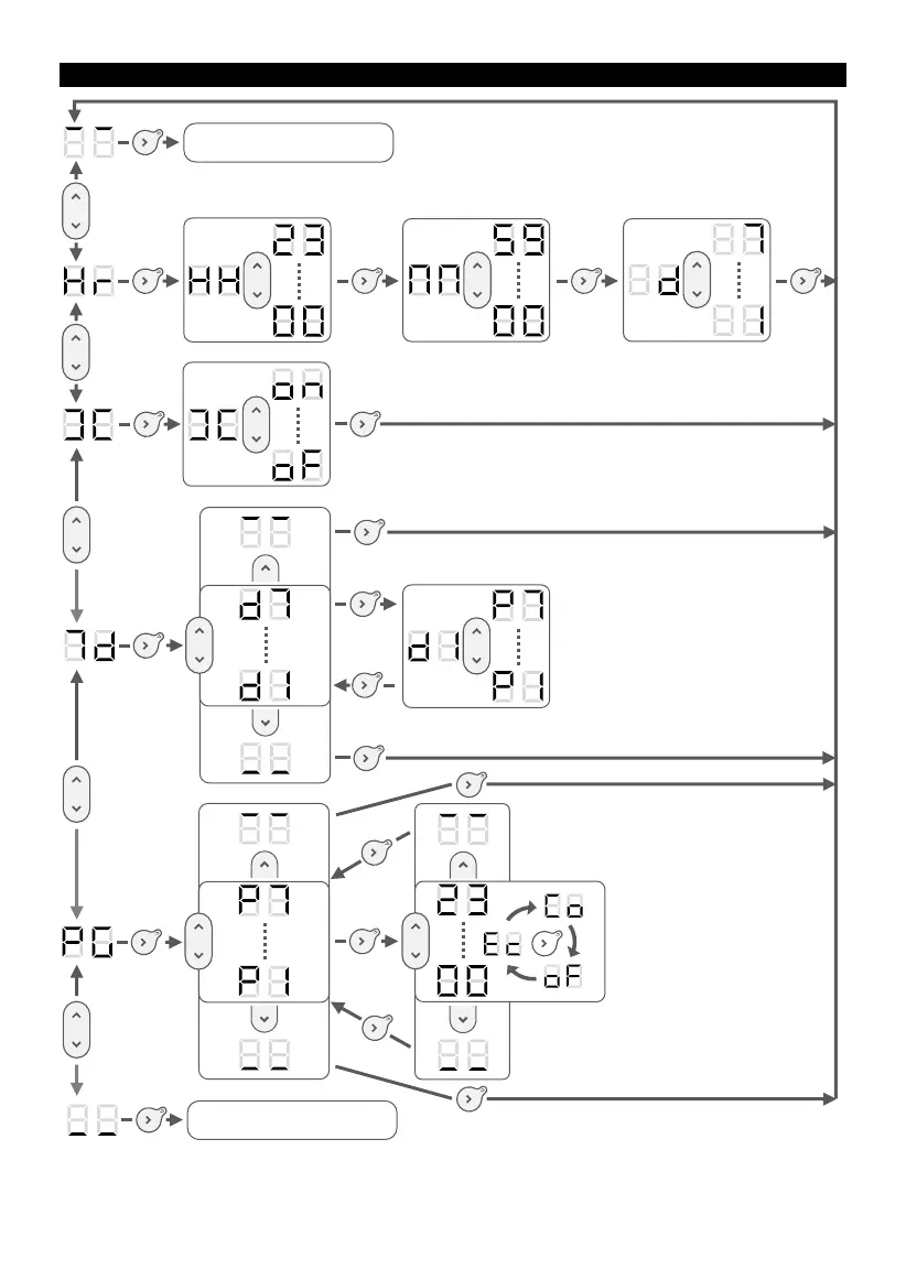
APPLIANCE SETTINGS MENU
Exit the settings
Exit the settings

Related product manuals