EasyManua.ls Logo

Atlas Copco CD 500+ - Air Circuit

Atlas Copco CD 500+
112 pages
Print Icon
To Next Page IconTo Next Page
To Next Page IconTo Next Page
To Previous Page IconTo Previous Page
To Previous Page IconTo Previous Page
Loading...
Instruction Book
13 9829 2115 69
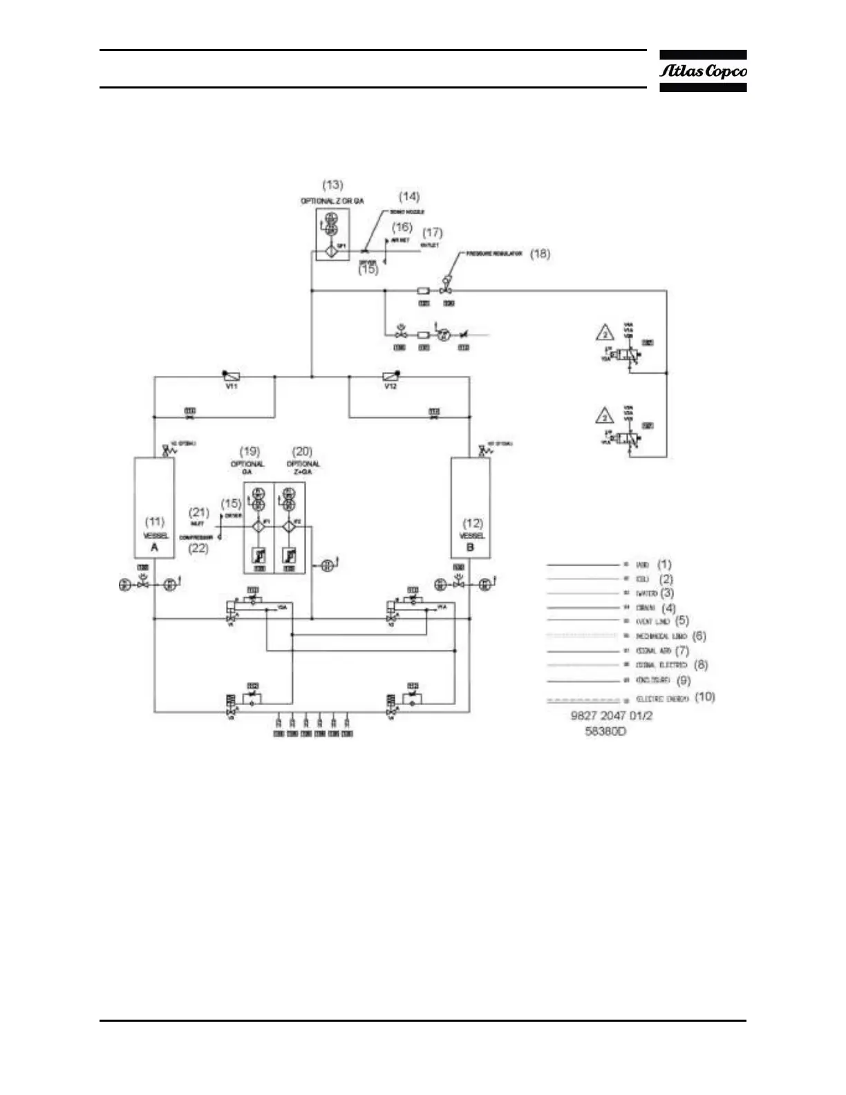
2.2 Air circuit
Flow diagram
CD 350+, CD 425+, CD 400 and CD 480

Related product manuals