EasyManua.ls Logo

Atlas Copco LT75

Atlas Copco LT75
48 pages
To Next Page IconTo Next Page
To Next Page IconTo Next Page
To Previous Page IconTo Previous Page
To Previous Page IconTo Previous Page
Loading...
2920 1257 04
13
Instruction book
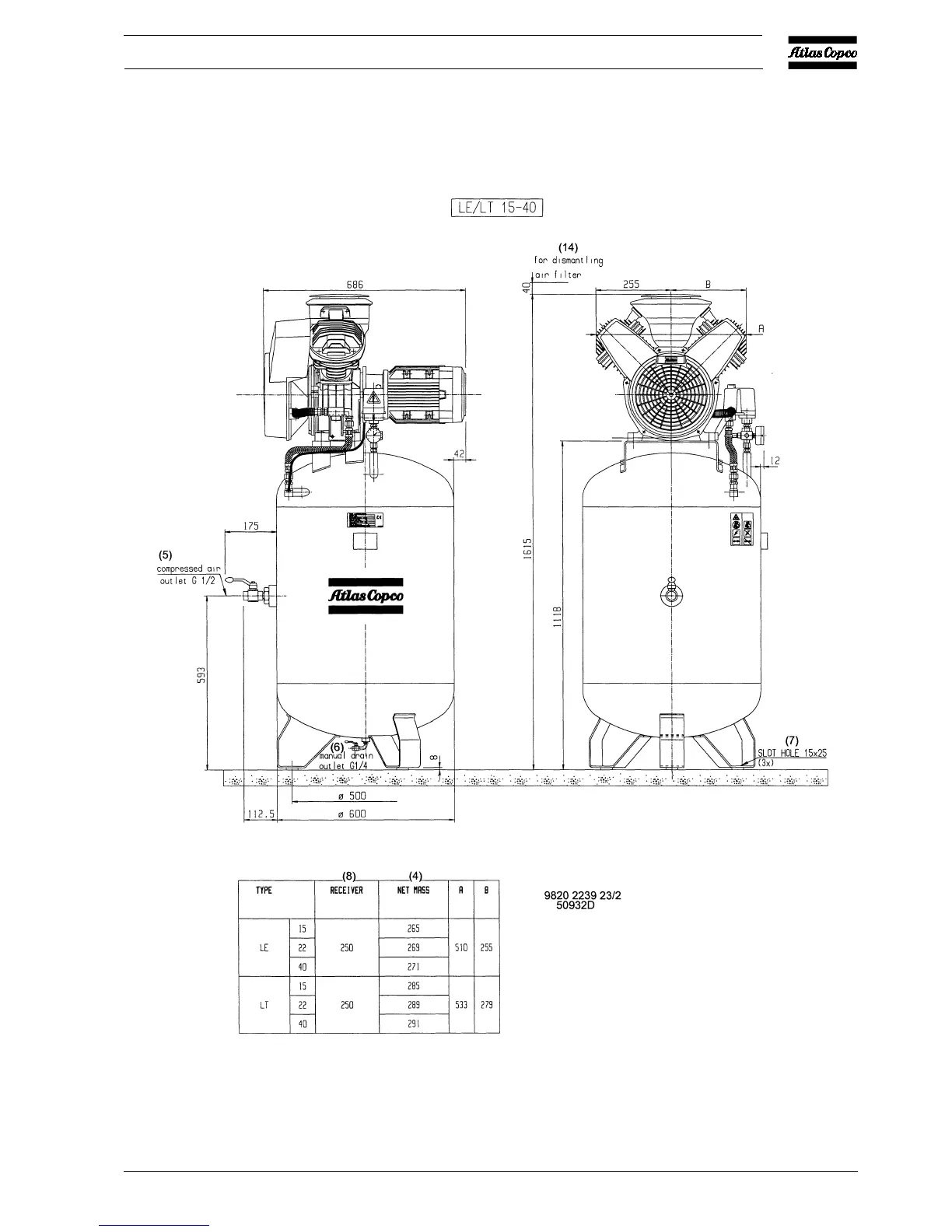
Fig. 2.4 Dimension drawing, LT15 up to -40 Complete Unit (vertical 250 l receiver)

Table of Contents

Related product manuals