EasyManua.ls Logo

Atlas Copco XAS 98 Kd WUX

Atlas Copco XAS 98 Kd WUX
64 pages
To Next Page IconTo Next Page
To Next Page IconTo Next Page
To Previous Page IconTo Previous Page
To Previous Page IconTo Previous Page
Loading...
- 54 -
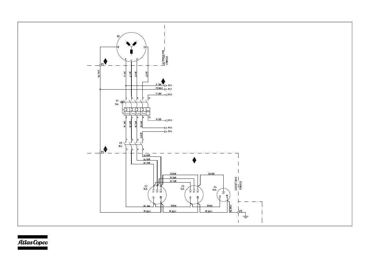
Circuit diagram - 9822 1081 71-02

Related product manuals