EasyManua.ls Logo

Atlas Copco XATS 487 Cd S3A APP

Atlas Copco XATS 487 Cd S3A APP
112 pages
To Next Page IconTo Next Page
To Next Page IconTo Next Page
To Previous Page IconTo Previous Page
To Previous Page IconTo Previous Page
Loading...
- 24 -
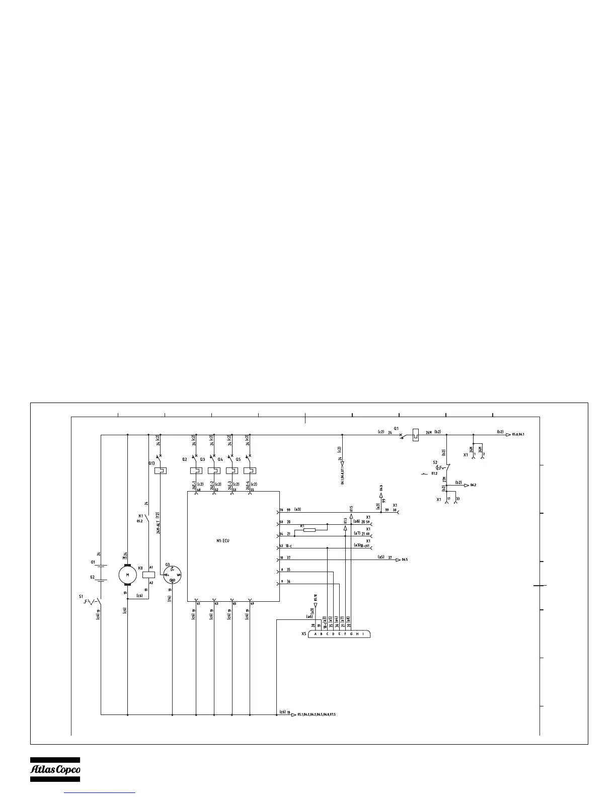
SH 03 ENGINE CIRCUIT
1
2
3
5
9876
G
4
10
A
B
C
D
E
F
9822 0963 49

Table of Contents

Related product manuals