EasyManua.ls Logo

Atlas Copco ZS 4 VSD

Atlas Copco ZS 4 VSD
80 pages
To Next Page IconTo Next Page
To Next Page IconTo Next Page
To Previous Page IconTo Previous Page
To Previous Page IconTo Previous Page
Loading...
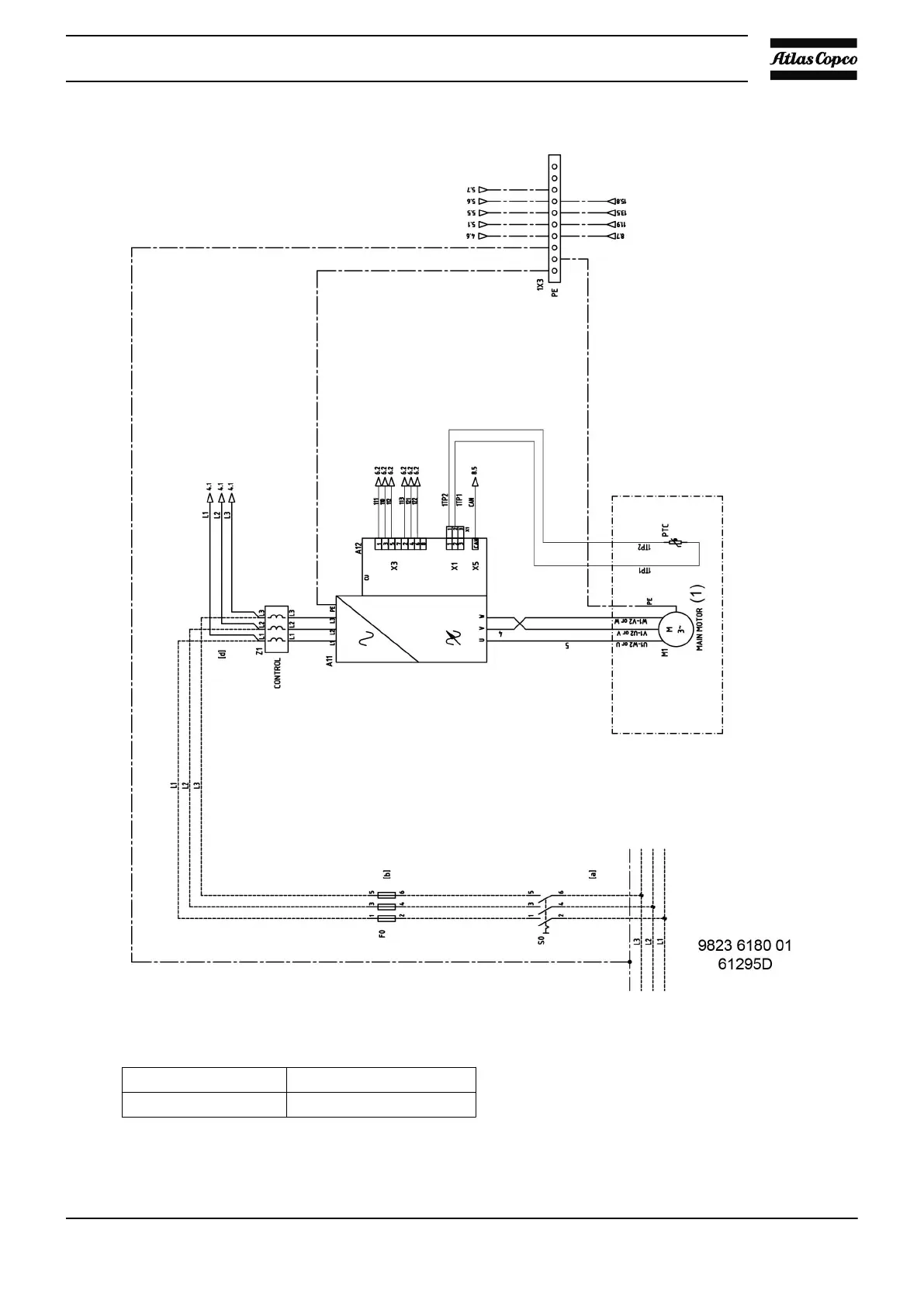
Electrical connections
ZS 4 VSD blower with starter
Drawing reference Description
(1) Main motor
Please refer to the electrical cabinet door for the entire service diagram.
Instruction book
AIF999999 53

Related product manuals