EasyManua.ls Logo

Atwood AFSD16111 - Wiring and Ladder Diagram; Wiring Diagram; Ladder Diagram

Default Icon
17 pages
Print Icon
To Next Page IconTo Next Page
To Next Page IconTo Next Page
To Previous Page IconTo Previous Page
To Previous Page IconTo Previous Page
Loading...
7
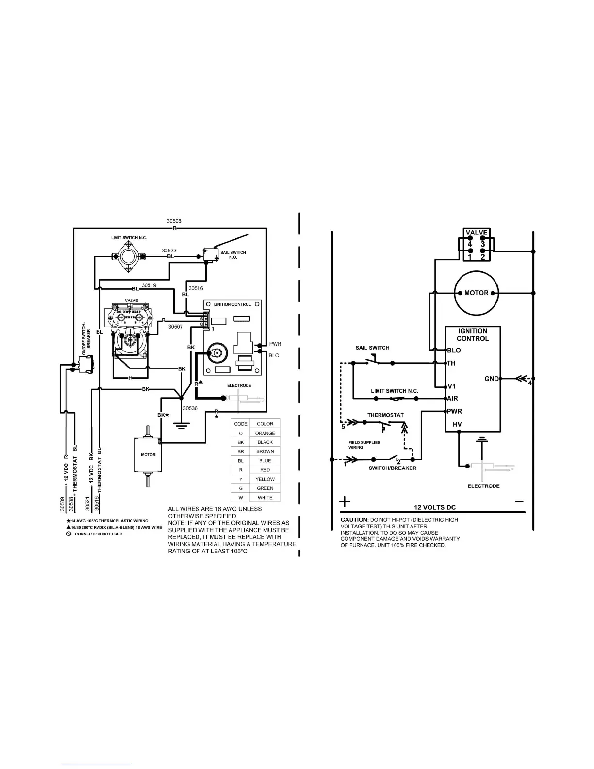
WIRING AND LADDER DIAGRAM

Related product manuals