EasyManua.ls Logo

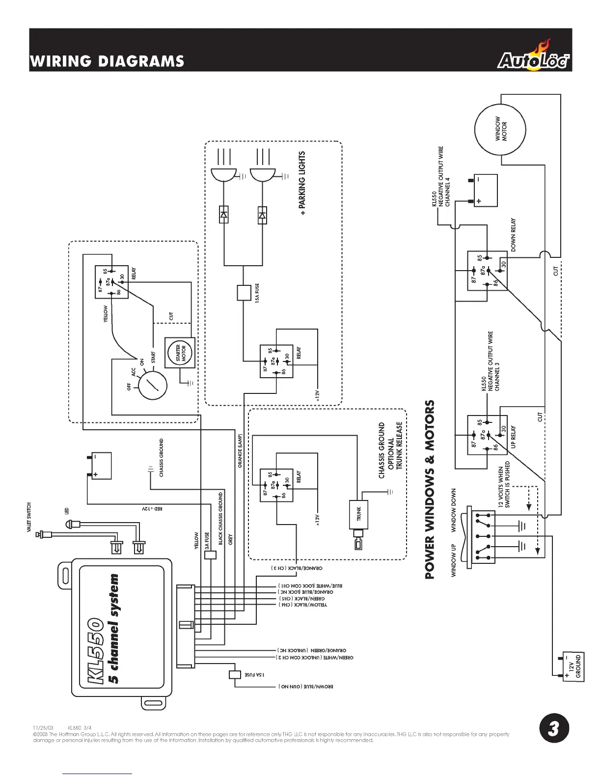
AutoLoc KL550 - System Wiring Schematics; KL550 Main Unit Connections; Power Window and Motor Control Wiring

AutoLoc KL550
4 pages
Print Icon
To Next Page IconTo Next Page
To Next Page IconTo Next Page
To Previous Page IconTo Previous Page
To Previous Page IconTo Previous Page
Loading...

Related product manuals