EasyManua.ls Logo

Autopage RF-315 - Central Locking System Wiring

Autopage RF-315
12 pages
Print Icon
To Next Page IconTo Next Page
To Next Page IconTo Next Page
To Previous Page IconTo Previous Page
To Previous Page IconTo Previous Page
Loading...
6
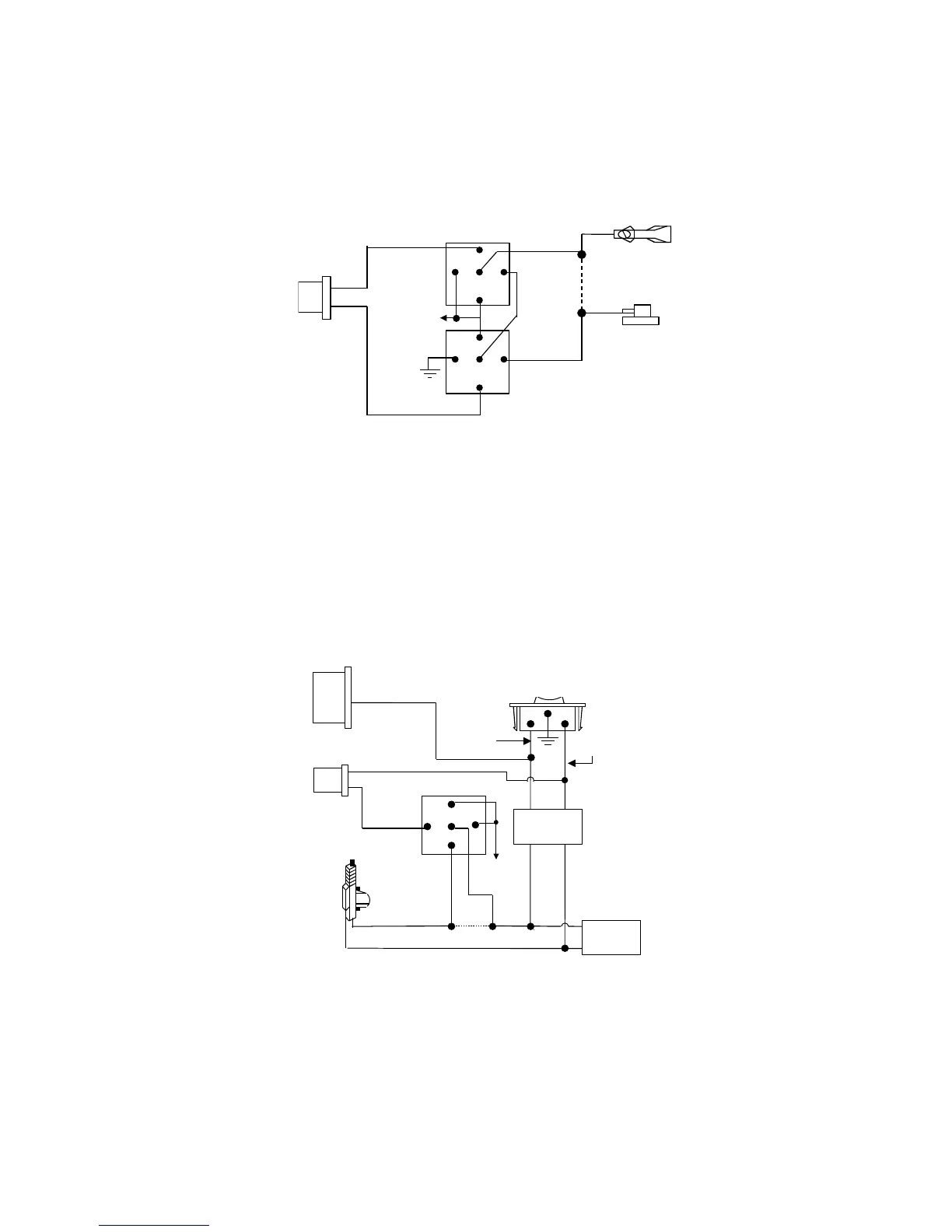
VACUUM OPERATED CENTRAL LOCKING
Green Wire
Blue Wire
+12V
X
Cut
Compressor
Door Switch
30
86
87a
85
87
30
86
87a
85
87
3 Pin
Plug To
Alarm
VACUUM OPERATED DOOR LOCKING SYSTEM:
TYPICAL OF MERCEDES BENZ AND AUDI.
Locate the wire under the driver's kick panel. Use the
voltmeter connecting to ground, verify that you have the
correct wire with the doors unlocked, the voltmeter will
receive "12 volts". Lock the doors and the voltmeter will
read "0 volt". Move the alligator clip to +12V and the
voltmeter will receive "12 volts". Cut this wire and make
connections. Be sure to program door lock timer to
3 seconds.(See Feature B 3 Programming.)
2 STEP DOOR UNLOCK WIRE CONNECTION FOR
GROUND SWITCHED DOOR LOCKS
Cut Existing Unlock
X
Lock
Unlock
OEM Door Master Lock Switch
To All Other
Door Lock
Motors
6-Pin
Plug
From
Alarm
H3/8 Gray Wire
OEM
Door Lock
Motor
Existing Neg.
Lock Wire
Existing Neg.
Unlock Wire
86
30
85
87
87A
+ 12V
H7/3 Green
Wire
Door Lock
H7/1 Blue
Wire
Door Unlock
3 Pin Plug
To Alarm
OEM Door
Lock Relay

Related product manuals