EasyManua.ls Logo

Avantco MX40 - Page 12

Avantco MX40
16 pages
Print Icon
To Next Page IconTo Next Page
To Next Page IconTo Next Page
To Previous Page IconTo Previous Page
To Previous Page IconTo Previous Page
Loading...
User Manual
12 www.AvantcoEquipment.com
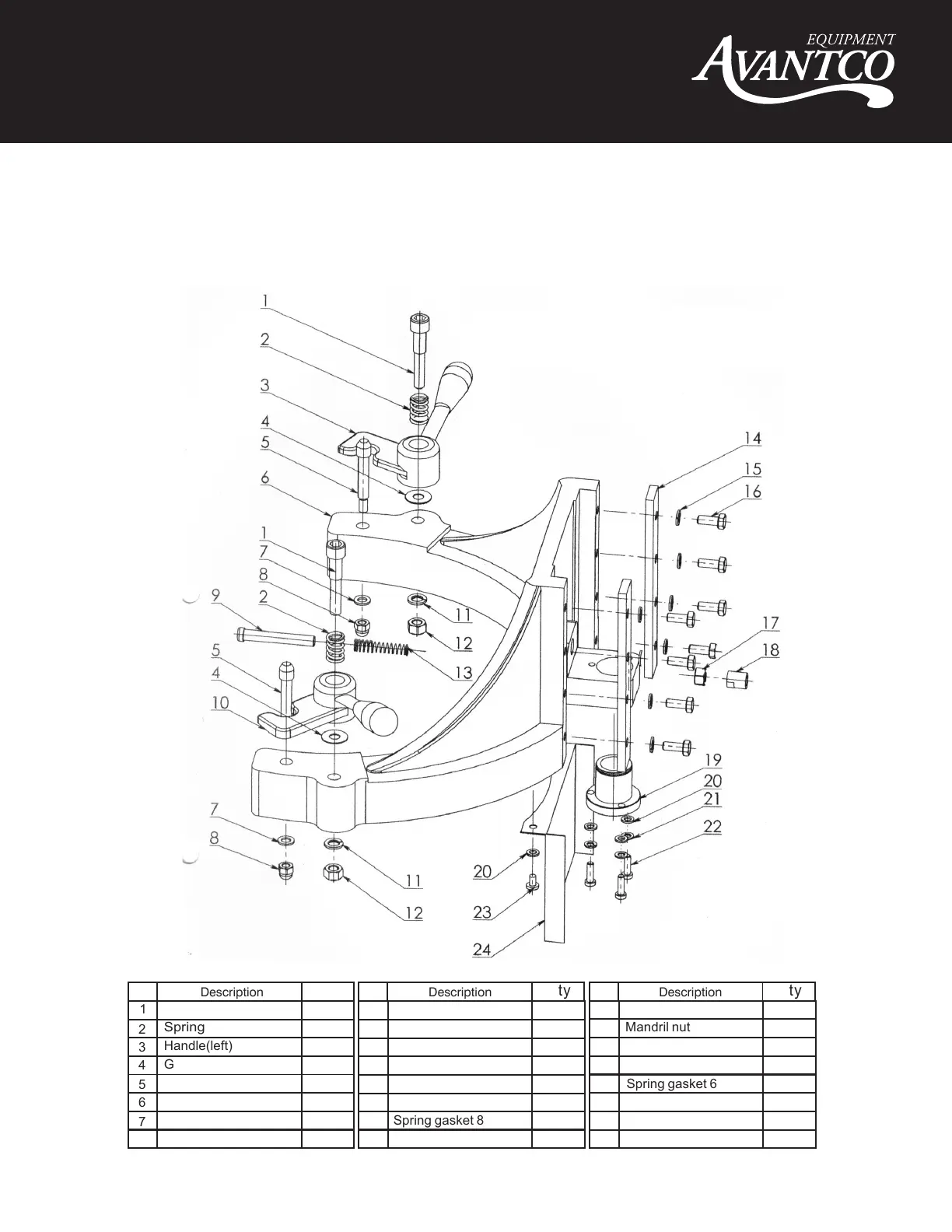
BOWL LIFTER UNIT
Figure 7
10 3
FIGURE 7 BOWL LIFTER UNIT
2
1
3
4
5
6
7
Spring
Handle(left)
Gasket 25*10*1
Screw
Arm
Gasket 8
2
1
2
2
4
1
2
Nut M8
8
Screw
2
10
9
11
12
13
14
15
Handle(right)
Spring gasket 10
Nut M10
Mandril spring
Press bar
1
8
2
1
2
8
8
Screw M8*20
17
16
18
19
20
Nut M10
Copper nut
Gasket 6
8
1
1
4
3
21
Switch mandril
1
22
23
24
Screw M6*20
Screw M6*10
Stand board
3
2
1
Descviption
Qty
B40F/B40FA MIXER USER MANUAL B40F/B40FA MIXER USER MANUAL
Descviption
Qty
Descviption
Qty
Spring gasket 8
Mandril nut
Spring gasket 6
Before using, please check power supply if it match
your machine and be sure ground wire is eliable.
Before testing, please take mixing device off first, in
order to avoid damage machine which is match mo-
ving direction. It's necessary to change the three-ph-
ase machine if the moving direction is not match wi-
th arrow.
Mixing: according to the different mixing-material.
Choose the different mixing devices and speed.
A
B
C
OPERATION INSTRUCTION
For changing the speed: Please stop machine first
before change speed in order to aviod damage gear
box.
OFF
A: Be suitable for mix and stir butter, eggs, and work wi-
th in high speed, working time is less than 15 minutes.
B. Be suitable for mix and stir stuffing and raw material,
and work in middle speed, working time is less than 20
minutes.
C: middle position is suitable for mixing dough,
working time is less than 30 minutes.
Flour wat-
er quantity is 40%-50%.
380V
220V
110V
230V
240V
Description Description Description

Related product manuals