EasyManua.ls Logo

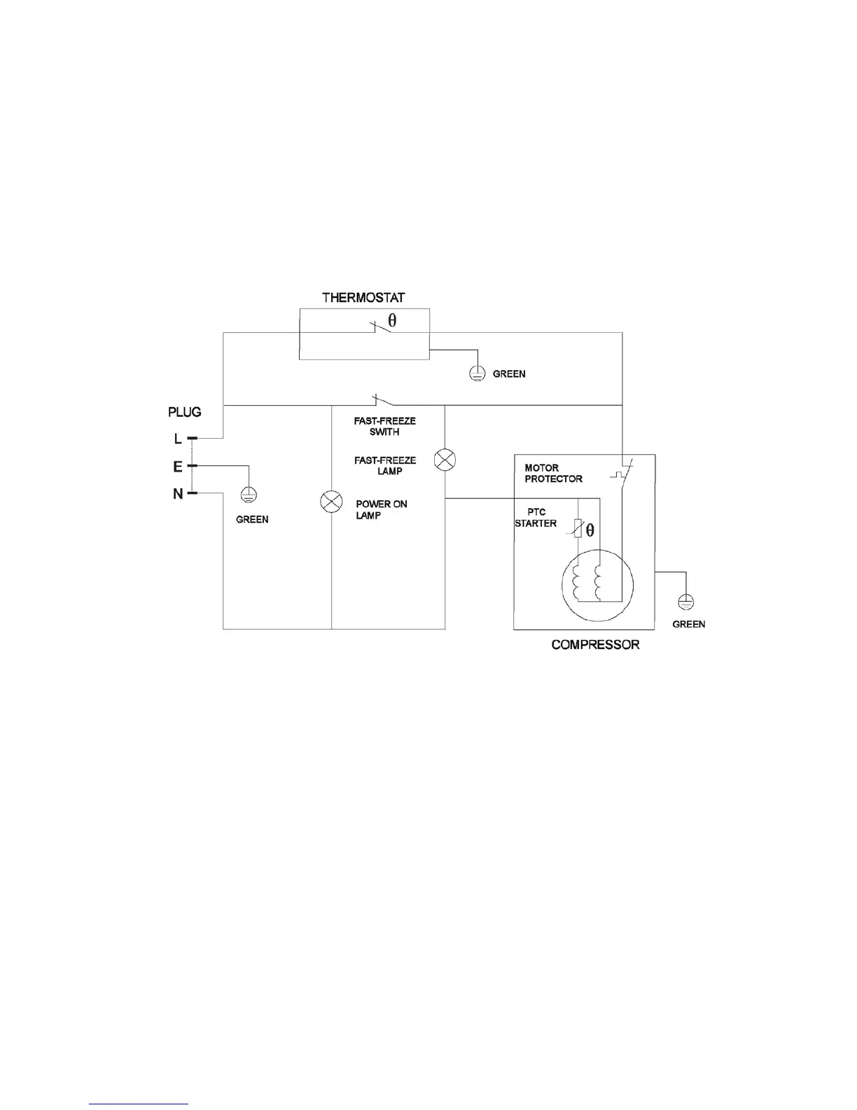
Avanti CF2016 - Wiring Diagram

Avanti CF2016
24 pages
Print Icon
To Next Page IconTo Next Page
To Next Page IconTo Next Page
To Previous Page IconTo Previous Page
To Previous Page IconTo Previous Page
Loading...
15
WIRING DIAGRAM

Related product manuals