EasyManua.ls Logo

Avtron K975A - Sigma Controller I;O and Panel Wiring

Default Icon
64 pages
Print Icon
To Next Page IconTo Next Page
To Next Page IconTo Next Page
To Previous Page IconTo Previous Page
To Previous Page IconTo Previous Page
Loading...
SCALE
MODEL
FORM 832D2-LB, 2/20/2012
CLEVELAND, OH 44125
6255 HALLE DRIVE
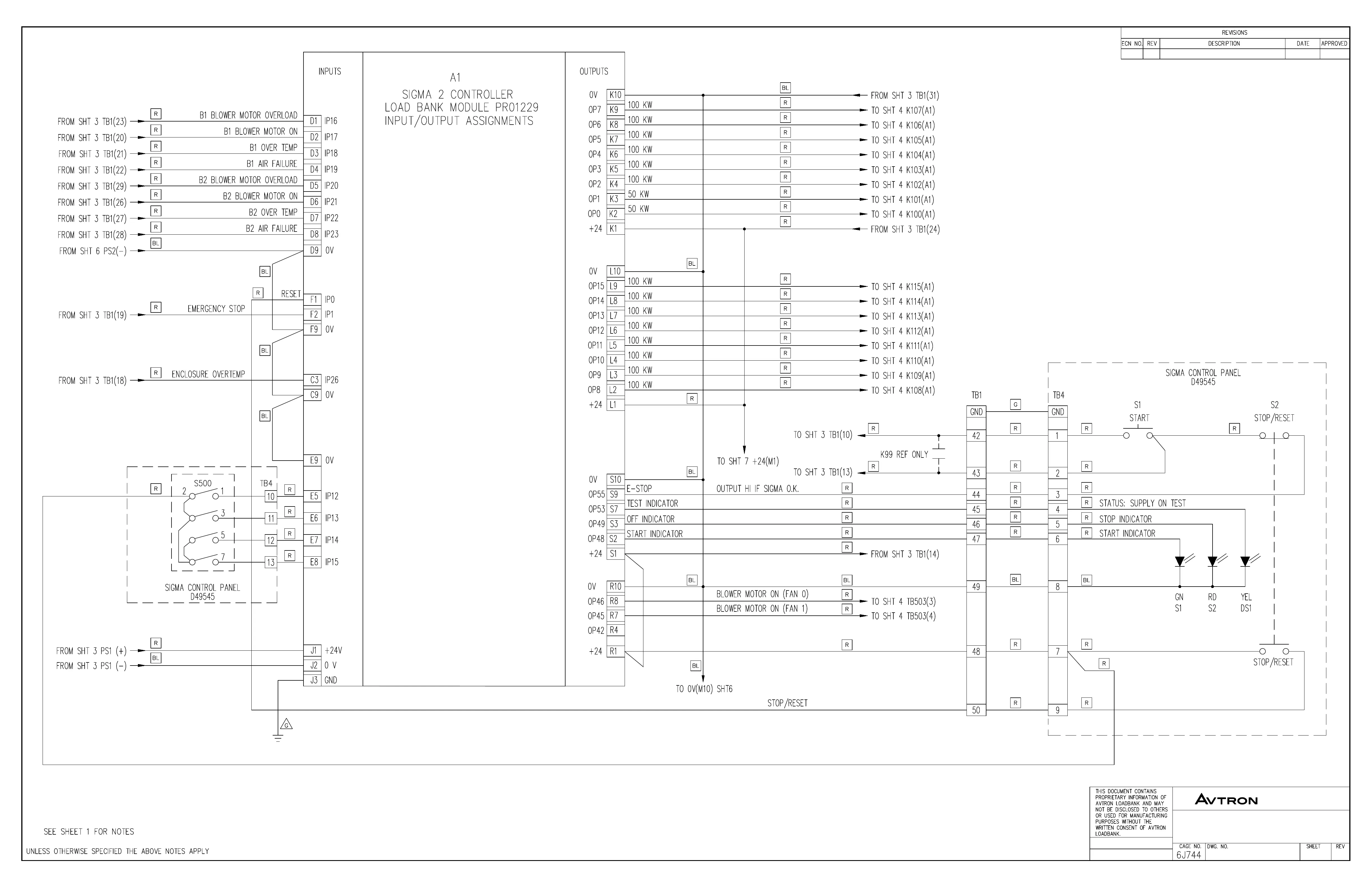
SCHEMATIC DIAGRAM
LOAD BANK
(2500 KW, 480V, 3 PH, 60 HZ)
997418 6 A
1/1
K975A
LA1427 A REVISED PER ECN J.FRANK 11/25/13 B.DIXON

Related product manuals