EasyManua.ls Logo

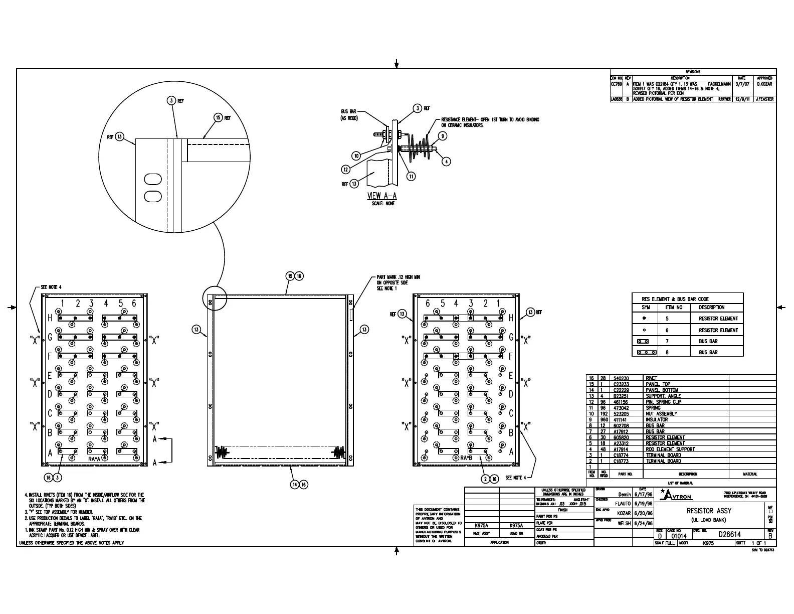
Avtron K975A - Resistor Assembly; Assembly Details and Parts List

Default Icon
64 pages
Print Icon
To Previous Page IconTo Previous Page
To Previous Page IconTo Previous Page
Loading...

Related product manuals