EasyManua.ls Logo

AXTON ATB25P - Betrieb

AXTON ATB25P
11 pages
Print Icon
To Next Page IconTo Next Page
To Next Page IconTo Next Page
To Previous Page IconTo Previous Page
To Previous Page IconTo Previous Page
Loading...
– 16 – – 17 –
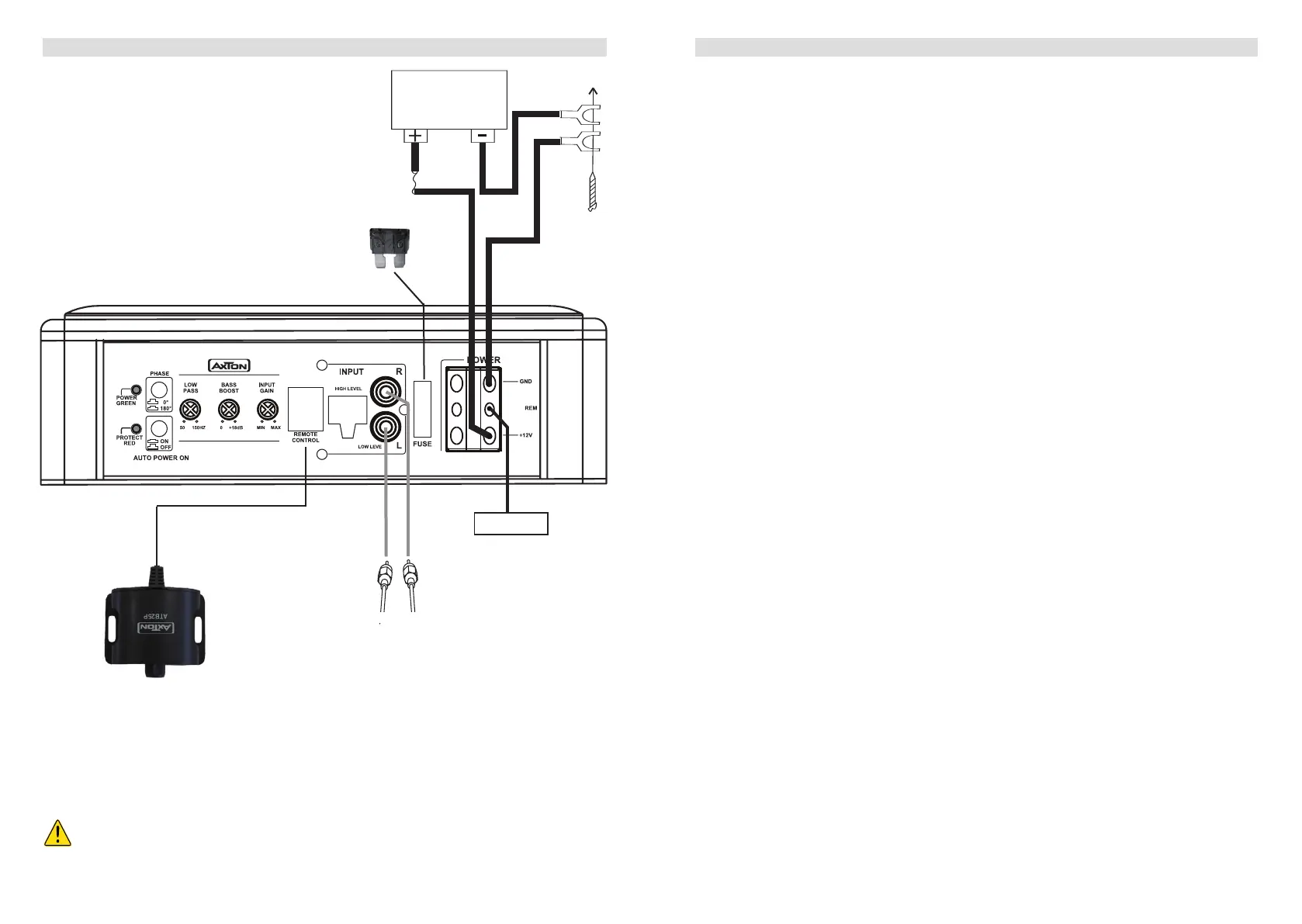
ANSCHLUSSDIAGRAMM
VORSICHT:
Benutzen Sie ausschließlich die angegebenen Werte für die Sicherungen.
Höhere Werte können unvorhersehbaren Schaden oder sogar ein Feuer
verursachen.
BETRIEB
Schalten Sie ihr Autoradio ein und begrenzen die Lautstärke auf ein geringes Niveau.
Nun sollte die grüne LED am Frontpanel des Verstärkers aufleuchten. Falls das nicht
der Fall ist, schalten Sie das Gerät sofort aus und überprüfen Sie die Anschlüsse und
Verkabelung.
PROTECT
Dieser Aktiv-Subwoofer ist mit einem schnell ansprechenden Überlastschutz ausgerüstet,
der sofort bei einem auftretenden internen Kurzschluss oder einer Überhitzung aktiviert
wird und Ihnen dies über die rote LED mitteilt. Im Falle einer Überhitzung startet der Ver-
stärker nach der Abkühlungsphase automatisch neu.
“PHASE”
Schiebeschalter zum Einstellen der akustischen Phase des Ausgangs-Signals bezogen
auf die anderen im Fahrzeug verbauten Lautsprecher. Die Phase ist dann richtig gewählt,
wenn der Bass deutlich präsent ist und knackig spielt. Sie ist falsch eingestellt, wenn der
Bass kraftlos wirkt.
AUTO POWER ON
Schiebeschalter für die Ein-/Aus Steuerung der ATB25P ohne dezidiertes 12V REM
Schaltsignal vom Headunit. Auto Turn on muss auf OFF stehen, wenn ein Cinchsignal und
eine REM Schaltspannung vom Headunit anliegen bzw. auf „ON“, wenn die ATB25P über
den High Level Eingang angesteuert wird.
LOWPASS
Die zu wählende Trennfrequenz des Tiefpasses (LOWPASS) sollte je nach Grösse und
Belastbarkeit des Lautsprechers eingestellt werden. Normalerweise liegt die akustisch
ideale Trennfrequenz zwischen 80 und 100 Hz. Stellen Sie den LOWPASS Regler als
Ausgangspunktaufetwa12Uhr,umdanndieEinstellungderEingangsempndlichkeit
(INPUT GAIN) und Anpassungen am Phase-Shift (PHASE) vorzunehmen. Erst ganz am
Schluss erfolgt nochmals eine Feineinstellung der Tiefpass Trennfrequenz. Justieren Sie
den LOWPASS Regler so, dass der Bass satt und trocken mit genügend Tiefbassanteil
wiedergegeben wird. Diese Einstellung erfolgt – genau wie die beschriebenen Eingangs-
empndlichkeits-undPhase-ShiftEinstellungen–reingehörmässig.
“BASS BOOST
Der BASS BOOST Regler, einstellbar von 0 bis +18 dB, erht den Lautstärkelevel im
Bassbereich von 45 Hz. Wenn Sie hohe Abhörlautstärken bevorzugen, raten wir Ihnen
dringend den Wert 0 einzustellen, da sonst Verzerrungen deutlich früher auftreten und ein
hohes Risiko besteht, den Subwoofer zu beschädigen.
INPUT GAIN
Die Regelung der Eingangsspannung erlaubt es, das System optimal an die je nach Radio
verschiedenen Ausgangslevels anzupassen. Ziel ist es, eine Einstellung mit möglichst
geringerbzw.ohneVerzerrungzunden.WirempfehlenIhnenhierbeifolgendeVorge-
hensweise: Stellen die Lautstärke am Radio auf ca. 2/3 des Maximums. Während Sie eine
MusikmitsignikantemBassanteilspielenlassen,drehenSiedenGainReglervon„Min“
in Richtung „Max“ bis Sie Verzerrungen in der Musikwiedergabe hören. Nehmen Sie nun
den Gain Level wieder so weit zurück, bis die Verzerrungen verschwinden und das Musik-
stück sauber wiedergegeben wird.
Autobatterie
12 V DC
Masse/GND
Montieren Sie den Bass
Boost Regler an einer
leicht erreichbaren Stelle.
L+R des Low Level Ausgangs
der Headunit. Benutzen
Sie einen Y-Adapter, falls
Sie einen mono sub-out
anschliessen wollen.
Sicherung
25 A
Sicherung
60 A
ATB25P
REM ON/OFF
i.e. Amp remote
25 A
Headunit

Related product manuals