EasyManua.ls Logo

Baldor DG3E - Page 27

Baldor DG3E
30 pages
Print Icon
To Next Page IconTo Next Page
To Next Page IconTo Next Page
To Previous Page IconTo Previous Page
To Previous Page IconTo Previous Page
Loading...
Premier K Series A-5MN2414
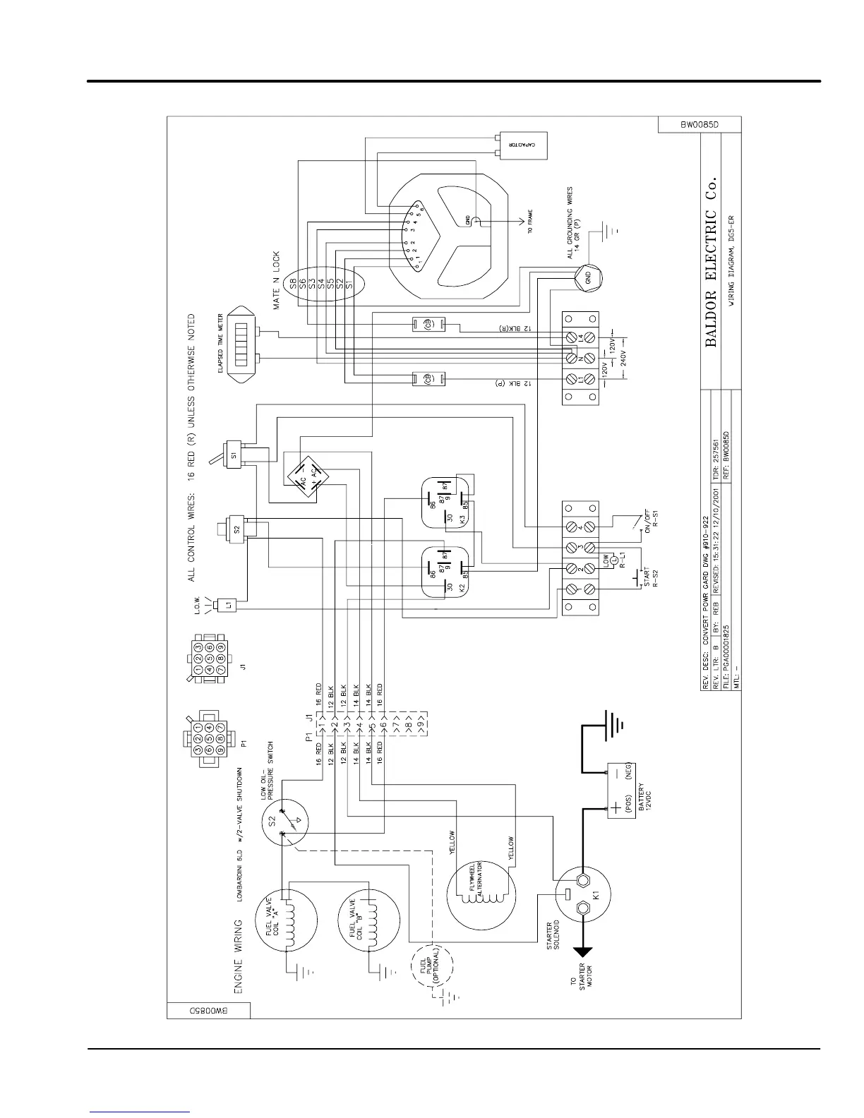
Figure A-6 DG3E Wiring Diagram with Low Oil & Remote Start

Related product manuals