EasyManua.ls Logo

Baldor DG3E - Page 28

Baldor DG3E
30 pages
Print Icon
To Next Page IconTo Next Page
To Next Page IconTo Next Page
To Previous Page IconTo Previous Page
To Previous Page IconTo Previous Page
Loading...
A-6 Premier K Series MN2414
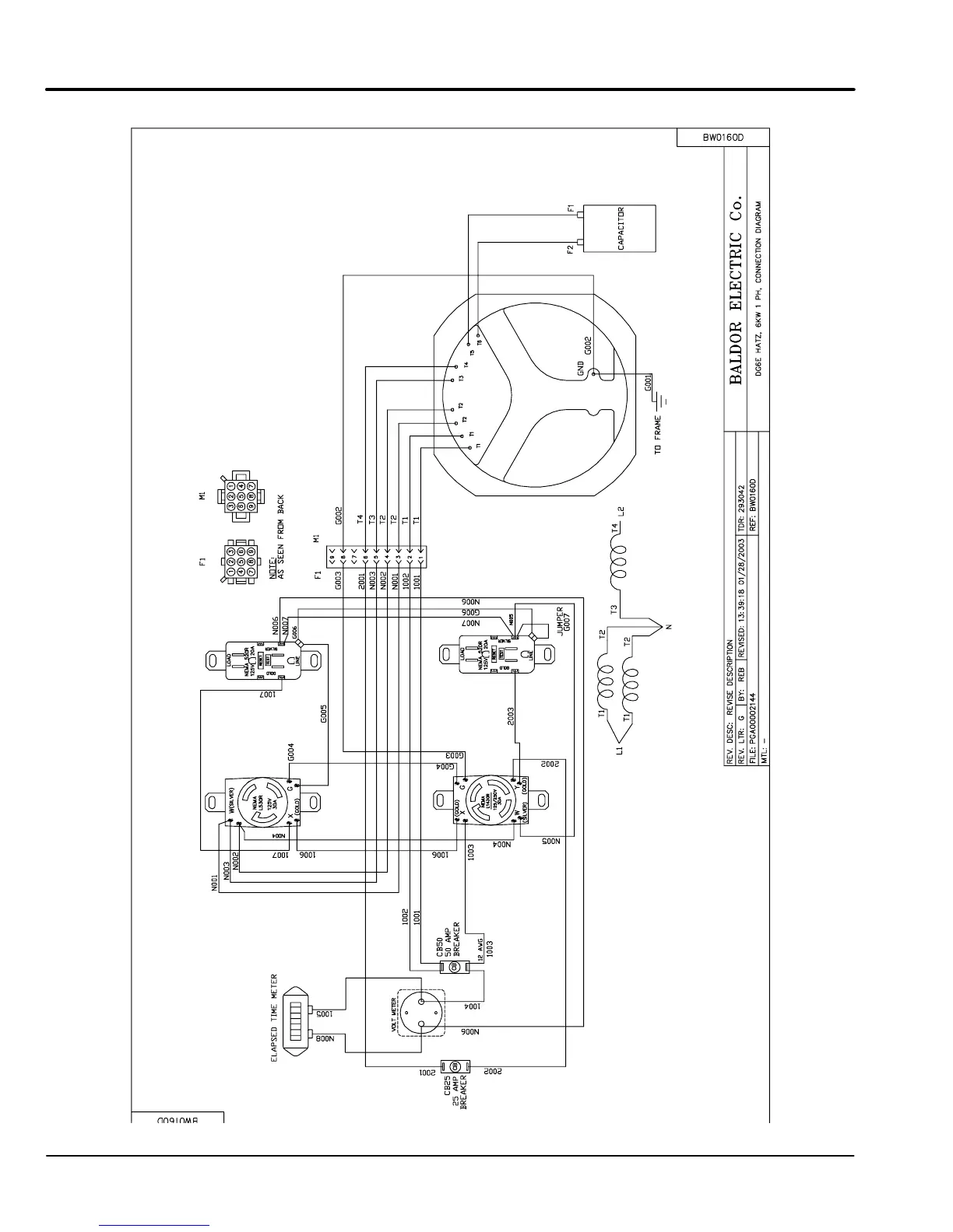
Figure A-7 DG6E Wiring Diagram

Related product manuals