EasyManua.ls Logo

Ball HD Series - Power Supply Functional Blocked Schematic

Ball HD Series
78 pages
Print Icon
To Next Page IconTo Next Page
To Next Page IconTo Next Page
To Previous Page IconTo Previous Page
To Previous Page IconTo Previous Page
Loading...
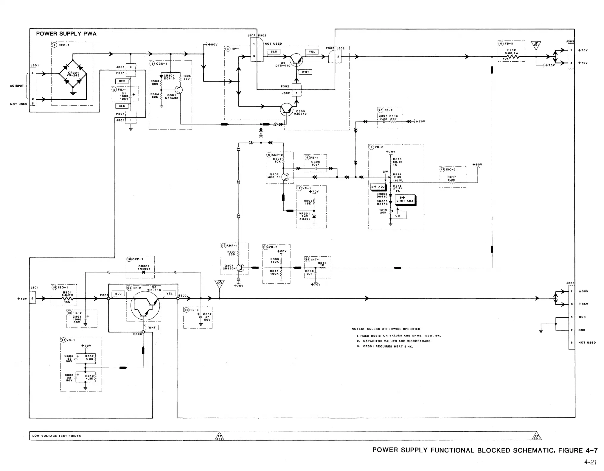
POWER SUPPLY PWA
NOT
USED
~·-·-·-·_J
J301
+•ov
10'lL
·-·-·__J
~--IL-;
·1
I
C301
+ I
·
1°o°v
0
I
L._.~
_
___;
l@vo-»-·-
1
+1ov
I
C304
+
R302
22
3.6K
50V
I
!
C303
+
R319
5202V
4.3K
I
~--·~·-·_J
LOW
VOLTAGE
TEST
POINTS
I
R303
.
390
I
·
R304
I
82K
I
0301
MPSA93
I
L._
CR302
I
1N4001
·-·-·_J
I
R305·
330
I
I
I
I
I
._J
+aov
~AMP-·1
I
R307
330
I
0304
L~N390~
+1ov
J302
P302
NOT
USED
L......._,_,
______
._
·1
I
1(_6)AMP-"
I
R306
10K
!
0302
L
~PSL0.1
~vo-2-'!
] +aov ]
R309
180K
I
R311
I
100K
L._.~
. _J
i(2)vR-1·-·1
i
+1ov
_
.
R308
I
!
15K
I
-=-
L__·-·-·_J
!Bi
INT-·1-
· 1
R310
1K
·
l@'•B-2
·1
I
C30~
o:.·.~·
I . . ,
~------+·-
0
2
~
+1ov
~._,_,_J
~VD-;-.
- . -
·-.;
i +1ov ]
cw
R313
68.1K
'"
I
I
'-·-·-~-·--·-·_J
NOTES:
UNLESS
OTHERWISE
SPECIFIED
BISO-·-·
l
I
R317
.
8.2M
_____
__J
1.
FIXED
RESISTOR
VALUES
ARE
OHMS,
1/2W,
5'lll,
2.
CAPACITOR
VALUES
ARE
MICROFARAD$.
3.
CR301
REQUIRES
HEAT
SINK.
+aov
p
301
J303
+1ov
+1ov
+asv
+3sv
GND
GND
NOT
USED
POWER SUPPLY FUNCTIONAL
BLOCKED
SCHEMATIC, FIGURE
4-7
4-21