EasyManua.ls Logo

Bally Hang glider - Page 17

Bally Hang glider
32 pages
Print Icon
To Next Page IconTo Next Page
To Next Page IconTo Next Page
To Previous Page IconTo Previous Page
To Previous Page IconTo Previous Page
Loading...
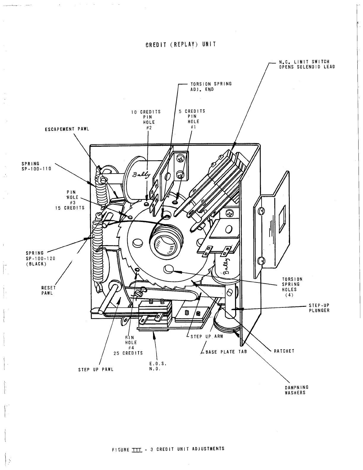
eREDIT (REPLAY) UNIT
l"
SPR I NG
SP-100-120
(BLACK) /
RE SE T
PAWL
N.C. LIMIT SWITCH
OPENS SOLENO I 0 LEAD
TORSION SPRING
ADJ. END
10 CREDITS
PIN
HO LE
#2
SPRING
SP-100-11ii
15
((il! ~
TORSION
SPR I NG
HO LE S
( 4 )
I
STEP-UP
PLUNGER
\
STEP UP ARM
¡BASE PH TE
E .0. S.
N. O.
OAMPNING
WASHERS
\
!
FIGURE III - 3 CREDIT UNIT ADJUSTMENTS
\ :.

Related product manuals