EasyManua.ls Logo

barfield DC400A - Page 14

Default Icon
37 pages
Print Icon
To Next Page IconTo Next Page
To Next Page IconTo Next Page
To Previous Page IconTo Previous Page
To Previous Page IconTo Previous Page
Loading...
61-101-00802.EF1 Revision J Page | 8
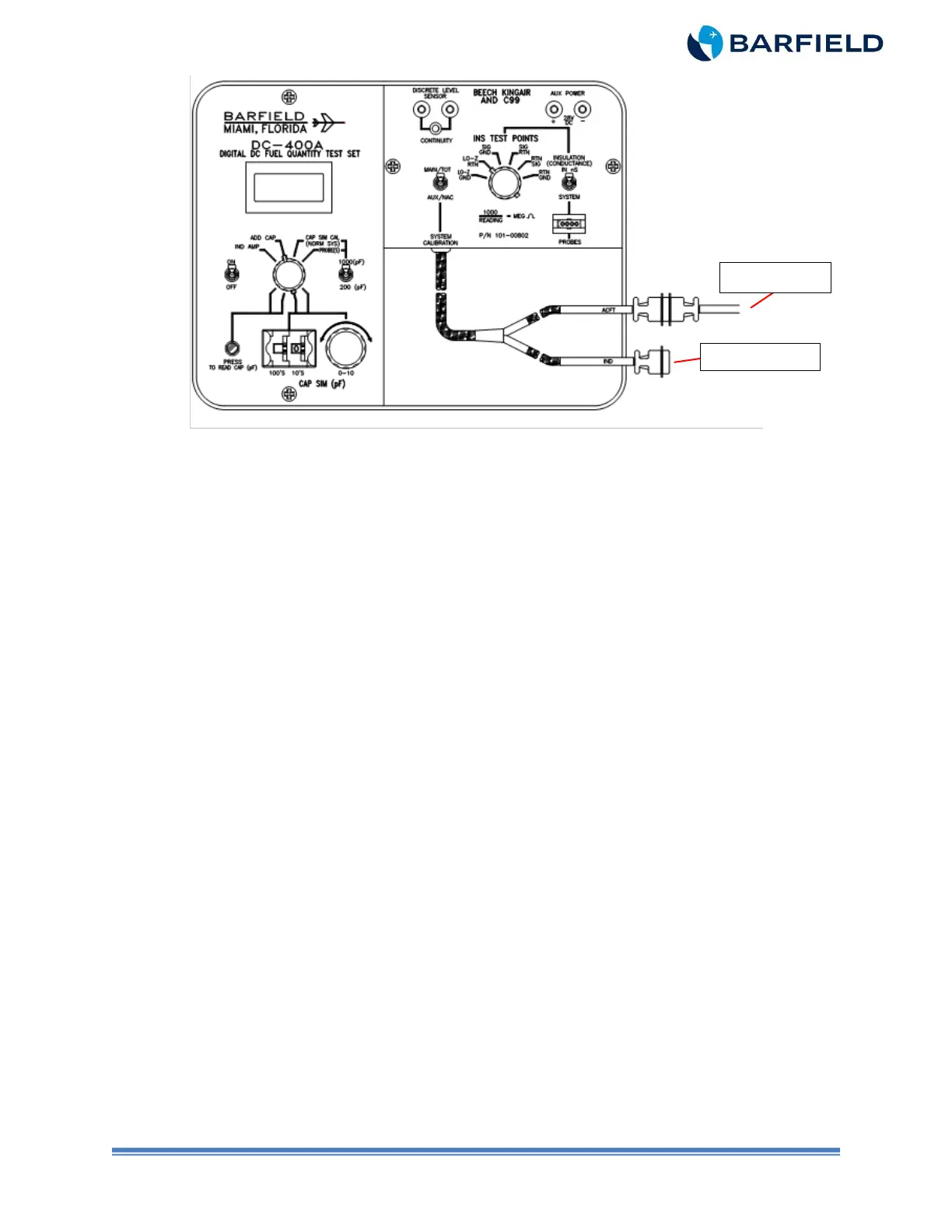
Figure 4 Capacitance Test
D. Test
Note: If the CONTINUITY light is illuminated it means that the DC400/A Oscillator Circuit
is overloaded. The most probable cause is a short circuit on the LO-Z wire.
(1) Set the T/S ON / OFF switch to ON.
(2) Set the aircraft fuel panel select switch to MAIN or TOTAL.
(3) Push and hold the T/S PRESS TO READ CAP (pF) pushbutton.
(4) Verify that the tanks’ value is within tolerances as specified in Table 2 (Tank
Capacitance Empty) or Table 3 (Tank Capacitance Full).
Note: The values depicted in Table 2 and Table 3 are valid as of this publication’s
release date and provided as reference. Refer to the Aircraft Maintenance
manual for test values.
Aircraft Wiring
Do not connect

Other manuals for barfield DC400A

Related product manuals