EasyManua.ls Logo

barfield DC400A - Indicator Bench Test

Default Icon
37 pages
Print Icon
To Next Page IconTo Next Page
To Next Page IconTo Next Page
To Previous Page IconTo Previous Page
To Previous Page IconTo Previous Page
Loading...
61-101-00802.EF1 Revision J Page | 26
E. Disconnecting/Reconfiguring
(1) Disconnect the test leads from the DISCRETE LEVEL SENSOR.
(2) Disconnect the test leads from the T/S.
2. INDICATOR BENCH TEST
Note: Refer to Precautions and Preliminary in General Information section.
Note: Failure to calibrate the system after performing the indicator bench test will result in
an inaccurate fuel quantity reading.
A. Test Set Preparation
(1) Set the ON/OFF switch to OFF.
(2) Rotate the TEST FUNCTION switch to CAP SIM CAL (NORM SYS).
(3) Set the INSULATION / SYSTEM switch to SYSTEM.
(4) Set the MAIN / TOT-AUX / NAC switch to MAIN / TOT.
(5) Set the 200 (pF) / 1000 (pF) switch to 200 (pF).
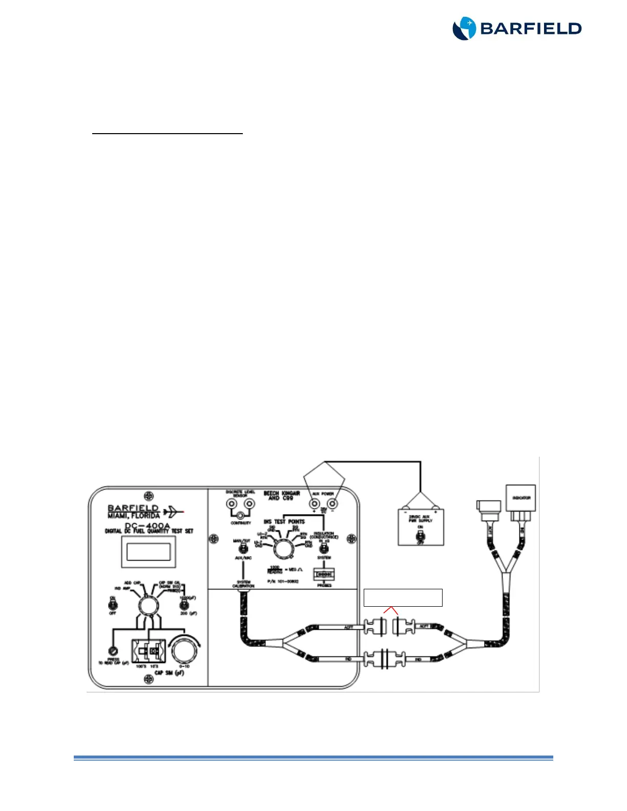
B. Connecting Test Set
(1) Connect T/S as shown in either Figure 9 or Figure 10.
Note: Figure 9 depicts using Adapter Cable 101-00831 for conversion to systems
with circular style connectors.
(2) Connect T/S IND connector to Indicator.
(3) Do NOT connect T/S ACFT connector.
(4) Connect the 28 VDC power supply to the T/S AUX POWER jacks using Banana to
Banana leads P/N 101-01010. Observe polarity.
Figure 9 Indicator Bench Test (with 101-00831 Adapter)
Do not connect

Other manuals for barfield DC400A

Related product manuals