EasyManua.ls Logo

Bartell B424 - Page 15

Bartell B424
30 pages
Print Icon
To Next Page IconTo Next Page
To Next Page IconTo Next Page
To Previous Page IconTo Previous Page
To Previous Page IconTo Previous Page
Loading...
Created: 07/04
Revised: 08/14
BARTELL MORRISON INC. BARTELL MORRISON (USA) LLC
375 ANNAGEM BLVD, MISSISSAUGA, ONTARIO, CANADA, L5T 3A7, 905-364-4200 FAX 905-364-4201
200 COMMERCE DRIVE, FREEHOLD, NEW JERSEY, USA, 07728 732-566-5400 FAX 732 -566-5444
EDGER TROWEL INSTRUCTION MANUAL
WALK BEHIND POWER TROWEL INSTRUCTION MANUAL
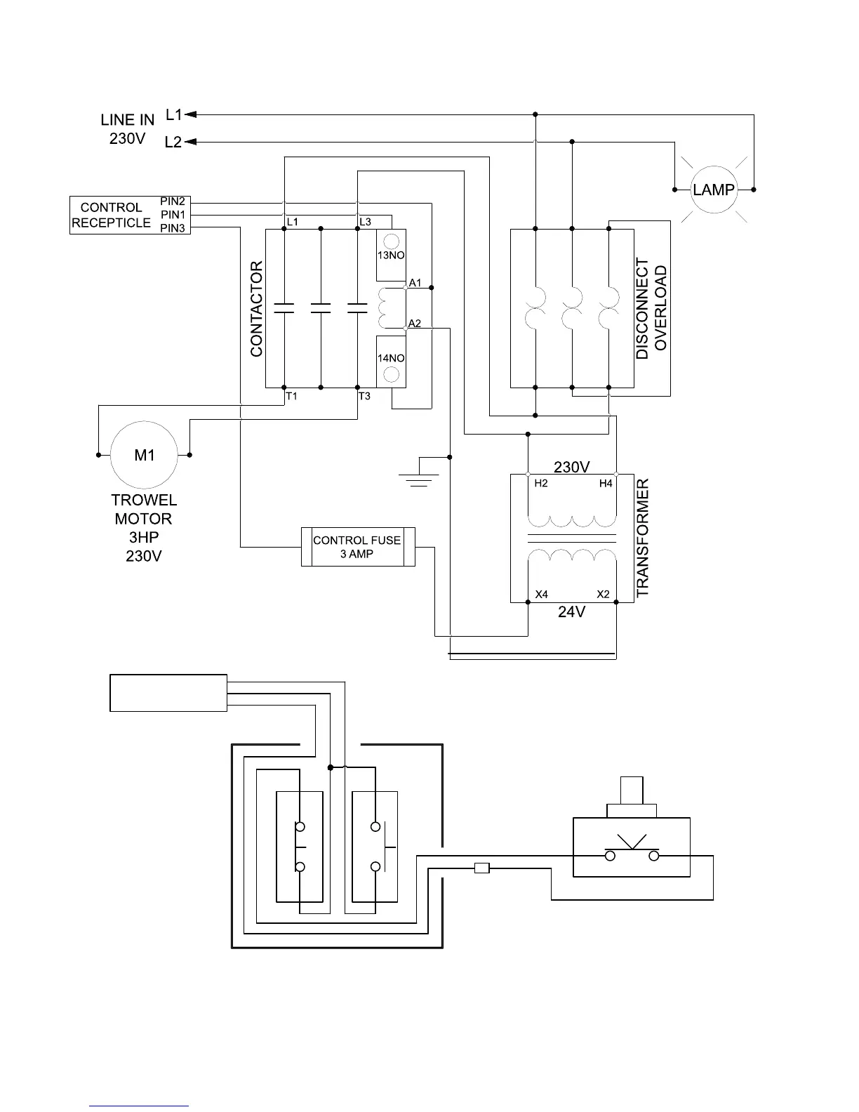
ELECTRIC POWER TROWEL WIRING DIAGRAM:
16
375 ANNAGEM BLVD., MISSISSAUGA, ONTARIO, CANADA L5T 3A7, 905-364-4200 FAX 905-364-4201
CREATED: 07/04
REVISED: 05/10
CONTROL BOX
PIN2
PIN1
PIN3
CONTROL
PLUG
SAFETY SWITCH
STOP
START
1 3
2 4
COM
NO
DEADMANOFF
G
W
BL
K
W
BL
K
BR
BL
- 15 -
ELECTRIC EDGER TROWEL WIRING DIAGRAM

Related product manuals