EasyManua.ls Logo

Basement Systems CX-109 - Filter Removal; Installing Filters; Service; Technical Description

Default Icon
10 pages
Print Icon
To Next Page IconTo Next Page
To Next Page IconTo Next Page
To Previous Page IconTo Previous Page
To Previous Page IconTo Previous Page
Loading...
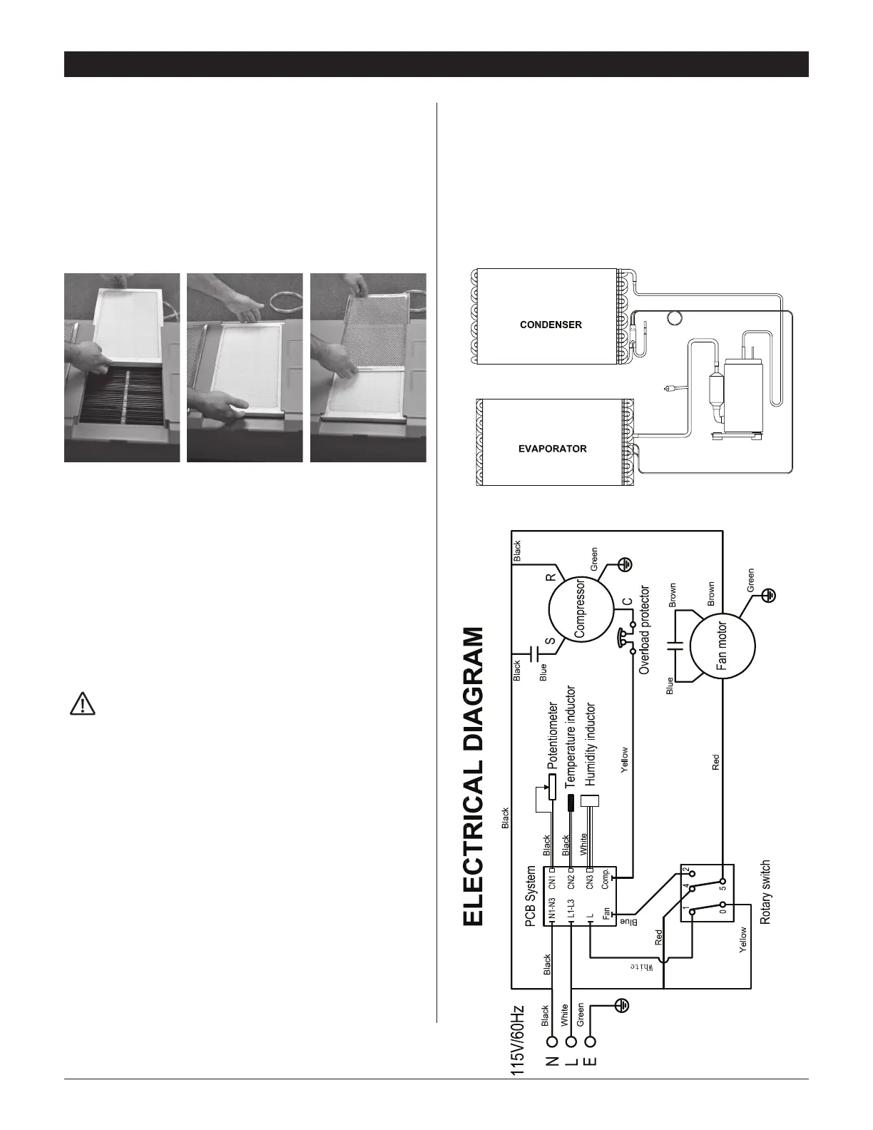
9.3 Filter removal Check filters every six months or more
frequently depending on room conditions. Clean and/or replace
when filters are visibly dirty. See filter cleaning and replacement
Section 9.2 and installing filters section 9.4.
1. Gently remove the 1/4” pre-filter by pulling on the side of the
filter and sliding the filter to the right or left.
2. Gently remove the 1” pleated fabric filter by lifting it up on both
ends and then sliding the filter to the right or the left removing it
from the unit.
Figure 12: Removing and installing filter
9.4 installing Filters
1. Gently slide 1” pleated filter into filter slot until it falls into
the recess in the cover. Do not force. If resistance is felt, check
alignment for obstructions or debris inside the filter housing. Be
sure main filter is seated all the way in the opening.
2. Gently slide 1/4” pre-filter along the top of the 1” pleated
filter. Do not force. If resistance is felt, check alignment for
obstructions or debris inside the filter housing.
10. SERVICE
WARNING!
Servicing the unit with its high - pressure refrigerant system
and high - voltage circuitry presents a health hazard which
could result in death, serious bodily injury, and/or property
damage. Only qualified service people should service this unit.
For Service call your local Basement Systems dealer.
11. TECHNICAL DESCRIPTION
The SaniDry CX uses a refrigeration system similar to an air
conditioner’s to remove heat and moisture from incoming air
and add heat to the air that is discharged. Hot, high - pressure
refrigerant gas is routed from the compressor to the condenser
coil. The refrigerant is cooled and condensed by giving up its heat
to the air that is discharged from the dehumidifier. The refrigerant
liquid then passes through capillary tubing, which causes the
refrigerant pressure and temperature to drop. It next enters the
evaporator coil where it absorbs heat from the incoming air and
evaporates.
The evaporator operates in a flooded condition, which means that
all the evaporator tubes contain liquid refrigerant during normal
operation. A flooded evaporator should maintain constant pressure
and temperature across the entire coil, from inlet to outlet. The
mixture of gas and liquid refrigerant enter the accumulator after
leaving the evaporator coil. The accumulator prevents any liquid
refrigerant from reaching the compressor. The compressor
evacuates the cool refrigerant gas from the accumulator and
compresses it to a high pressure and temperature gas to repeat
the process.
SaniDry CX INSTALLER'S AND OWNER'S MANUAL
6
SaniDry CX Installer’s & Owner’s Manual
Figure 13: Refrigeration system.
Figure 14: Wiring diagram.

Related product manuals