EasyManua.ls Logo

Batca Fusion 2 - Page 34

Batca Fusion 2
42 pages
Print Icon
To Next Page IconTo Next Page
To Next Page IconTo Next Page
To Previous Page IconTo Previous Page
To Previous Page IconTo Previous Page
Loading...
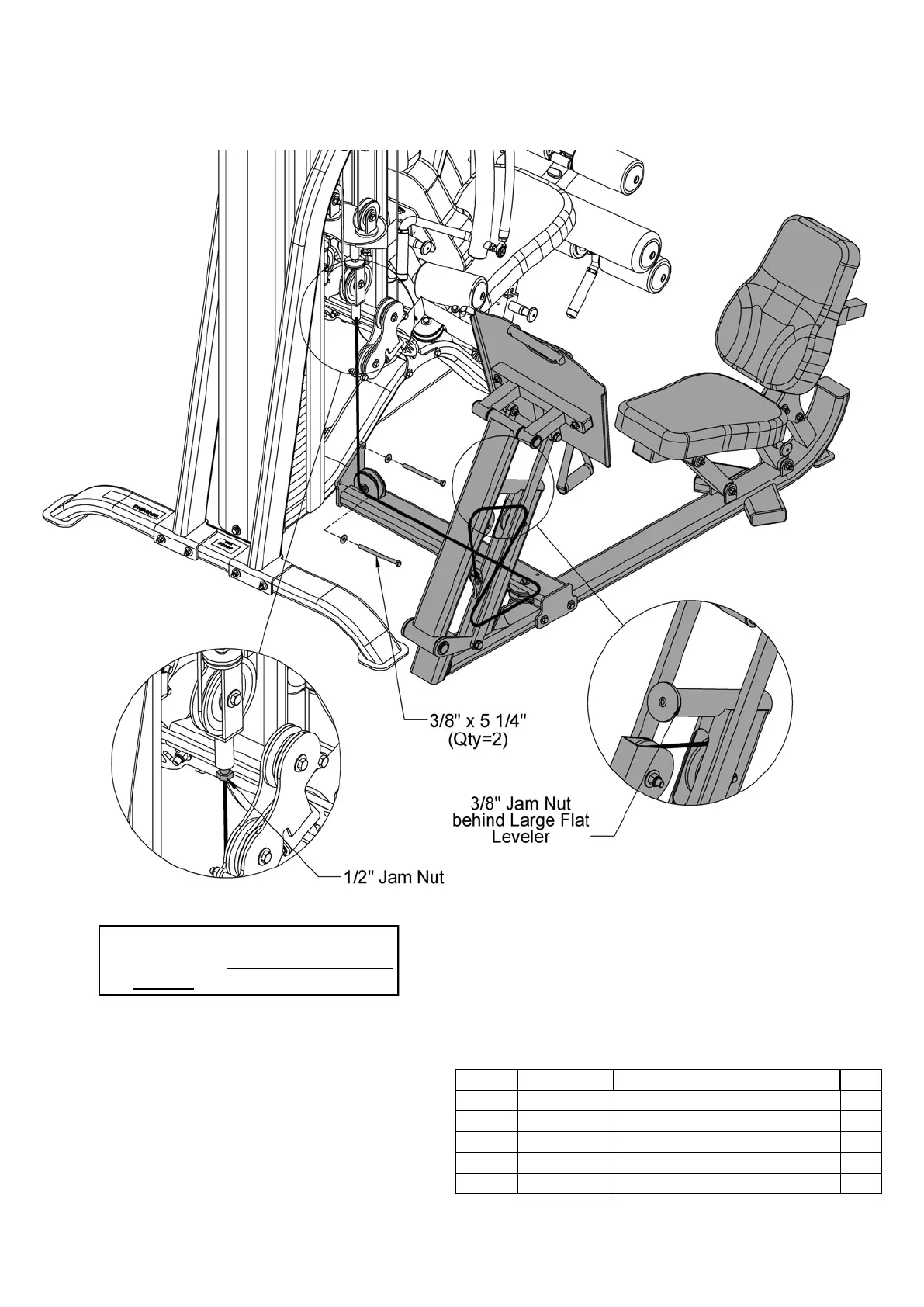
Batca Fitness Systems 34 Fusion 2 Owner's Manual
Step 24:
Item # Part # Description Qty
56 BFH-50146 3/8" Flat Washer (Black) 4
58 BFH-50157 3/8"-16 Nylock (Black) 2
59 BFH-50270 HCS 3/8"-16 X 5 1/4" P5 2
92 BFH-50256 1/2” Jam Nut 1
99 BFH-50149 3/8”-16 Jam Nut 1
All Flat Washers and Nylocks are 3/8” unless otherwise noted.
Figure 24
Note: Each Cable with a threaded bolt on
either end must be threaded at
least 1/2” into its attachment.

Related product manuals