EasyManua.ls Logo

Batca Fusion 2 - Page 36

Batca Fusion 2
42 pages
Print Icon
To Next Page IconTo Next Page
To Next Page IconTo Next Page
To Previous Page IconTo Previous Page
To Previous Page IconTo Previous Page
Loading...
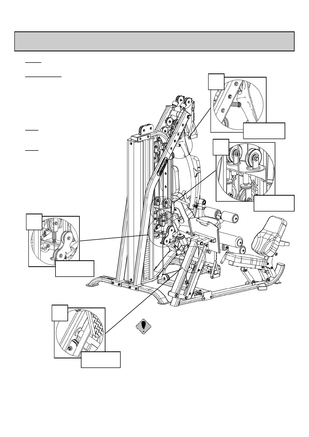
Batca Fitness Systems 36 Fusion 2 Owner's Manual
Cable Adjustments
3
5
Refer to Figure
11
8
Refer to Figure
24
Note: All cables with threaded adjustable ends must
have at least 1/2” of the threads threaded into its
counterpart. It is very important that the 1/2” Jam
Nut (92) be wrench tightened to the counterpart to
ensure that the threaded adjustable end of the
cable does not back out of its counterpart.
Adjust cables to proper tension from any of the locations
shown below.
How to Begin: In order to get the proper tension in your
cables, it is recommended that you follow the sequence
1-8 as shown on pages 36 and 37. The numbers for this
sequence can be found in the upper left corner of each of
the detailed views. Each detailed view below will refer
you to the original Figure for more detailed information.
Follow the detailed information found in each referenced
figure.
Note: Adjustment 7 Figure 12 is only
used on units that did not receive the Leg
Press Option.
Note: If the top plate raises off of the sec-
ond plate in the weight stack, then the
cable tension is too tight. You will need to
take some of the tension out to lower the
Top plate flush with the second plate.
7
Refer to Figure
12 and 24
Refer to Figure
14

Related product manuals