EasyManua.ls Logo

Batca LINK LD-4 - Page 14

Batca LINK LD-4
23 pages
Print Icon
To Next Page IconTo Next Page
To Next Page IconTo Next Page
To Previous Page IconTo Previous Page
To Previous Page IconTo Previous Page
Loading...
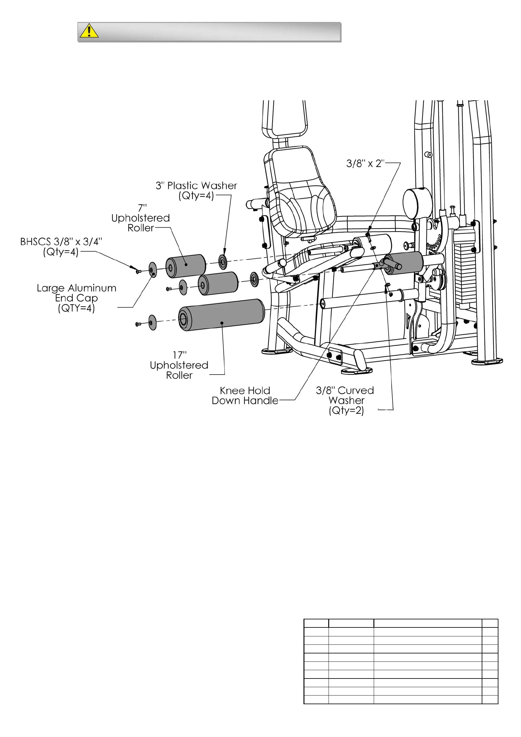
Batca Fitness Systems 14 LD-4 Owner's Manual
Item # Part # Description Qty
30 BFH-50622 Large Aluminum End Cap 4
36 BFM-10588 Knee Hold Down Handle 1
44 BFU-10121 7” (Small) Upholstered Roller 4
45 BFU-10122 17” (Large) Upholstered Roller 1
50 BFP52373 BHSCS 3/8” x 3/4” 4
54 BDH-51759 SHCS 3/8” x 2” 1
67 BFH-50204 3/8” Curved Washer 2
71 BFH-50157 3/8” Nylock 1
73 BFH-50221 3” Plastic Washer 4
Step 9:
Make sure all bolts are tightened before moving on
All Flat Washers and Nylocks are 3/8” unless otherwise noted.
Anywhere a washer is against the round side of a tube there is to be
a 3/8” CURVED WASHER instead of a 3/8” FLAT WASHER.

Related product manuals